私信回复:1117,领三菱PLC案例/例程1117个!
1.需要要把DO到D8的数据依次转到D10到D18有没有一条指令完成的?
答:可以使用FMOV指令。
2.接近开关,检测到物体,需要给PLC一个0V,我选NPN还是PNP?
答:选NPN型号。
3.三菱的选型软件是哪个?
答:参考:
4.Q系列485通讯用什么模块?
答:可以使用QJ71C24N模块。
5.FB模块里面可以用功能指令吗?
答:可以的,和外部没有区别。
6.长时间定时怎么实现?
答:可以用定时器+计数器实现长时间定时,比如定时器设定为100秒,计数器设定为100,那么一个定时器和一个计数器就是10000秒。
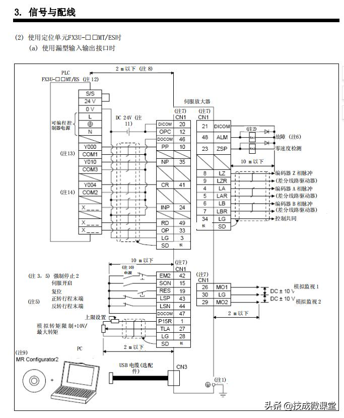
7.三菱PLC与三菱伺服驱动器的接线图吗?
答:

8.PLC断电,数据就丢失是怎么回事?
答:PLC内置的电池没电了,需要更换。
9.在modbus里波特率9600是怎么转换成1000的?
答:没有1000的波特率。
10.老师这个STLSO是什么作用的指令?
答:步进功能指令,用来做顺序功能控制的。
11.一般步进电机,有没有驱动器能驱动?
答:一般步进电机和驱动器是成套购买的。
12.遇到三菱PLC异常现象,就是电源灯和运行灯都是正常的,但是输入信号已经没有了,即使按按钮,测量以后发现,输入和输出电压只有4.8V,没有24V了
答:需要检查输入电源。
13.FX3U应该可以同时与变频器和触摸屏通讯吧变频器走RS485触摸屏RS232,然后触摸屏上要显示和设置变频器的频率,正反转,用数据寄存器应该能实现。
答:是可以实现的。
14.变压器分交流和直流吗?
答:是区分的,交流变压器靠磁通转换电压,直流变压器靠电子电路转换电压。
15.FX2N没有定位指令drvi,drva和原点回归指令zrn,在不变动外部限位装置的情况下,有哪个指令可以实现改变随意行程?
答:可以使用PLSYPLSR指令。
16.比如X轴没有原点限位,只有正负极限位。在程序如果要DSZR指令,怎么可以控制位置任意个点成为原点?
答:可以程序手动的做一个原点信号,手动触发。
17.三菱的for指令,不能模拟吗?怎么一直往下加?
答:是可以模拟的,需要用对FOR的语法。
18.三菱的特殊辅助继电器的标注解释有吗?
答:按F1帮助里面是可以找到特殊辅助继电器标识和解释的。
19.三菱的PLC能不能做到用4G的模块传送控制信号?
答:理论上可以通过以太网来连接第三方的4G模块实现这个功能。
20.红外线切机用编码器双相计数,计数值=D时输出Y低速,反方向时=-D时输出Y低速,正数时候好比较,反向的负数应该怎样弄?
答:二个负数做比较,0减去一个正数就是负数了。
21.有二个步进电机,其中一个用着用着就咔咔异响走不了,把另外一个电机插头对换插上能正常运转,然后又换上原来的插头就正常了,但是运行一会又咔咔响不动了?
答:可能是负载有卡,导致一直在磨损,观察一下电机的发热情况,还是要拆开看看,检查一下连接部分。
22.转盘回原,没有外部原点,怎样利用Z相脉冲回原点?
答:只用Z相是没办法找原点的,只能回到相同相位,因为每圈都有一个Z相。
23.movk4m100D10怎么理解的?
答:把m100开始的16个位组合成一个16位数据传输给D10。
24.那个developer仿真软件我下载了英文的,然后不会用怎么测试?
答:这款软件太老了,直接装GXWORK2这款软件,自带仿真。
25.usb转485串口搜不到模块是什么问题?
答:驱动未安装,装一个驱动精灵,大部分的驱动有的。
26.假如我要使用4台5UPLC以太网通讯我选什么样的交换机呢?
答:如果只有4台PLC通讯,4口百兆交换机即可4口与8口价格差不多,建议选择8口,有预留。
27.两个伺服电机可以用一个伺服驱动吗?
答:通用驱动器不行的,编码器没地方插。有2轴3轴专用伺服驱动器三菱MR-J4(W3)-B系列支持一个驱动控制3轴.IAI驱动器支持4轴
28.PLC死机一般是什么问题造成的?
答:一般是过于老旧,如果是新的,可能是现场电磁干扰太强。
29.请问Alt是什么指令?
答:交替输出指令。
30.我听说步进电机用一个接近开关也可以实现原点回归指令是真的吗?
答:原点回归本来也就是需要一个原点信号,接近开关位置合适就行。
私信回复:1117,领三菱PLC案例/例程1117个!