1概述
BD系列电力变送器是一种将电网中的电流、电压、频率、功率、功率因数等电参量,经隔离变送成线性的直流模拟信号或数字信号装置。产品符合GB/T13850-1998、IEC-688标准。
2型号说明

3产品型号
3.1电流、电压变送器
1)用途:测量电流、电压信号,隔离变送输出模拟信号。
2)产品规格:
BD-AI(2)
交流电流变送器
BD-DI
直流电流变送器
BD-AV(2)
交流电压变送器
BD-DV
直流电压变送器
注:BD-AI/T、BD-AV/T采用真有效值测量电路,可对各种正弦或非正弦波正确测量,适用在变频环境中。
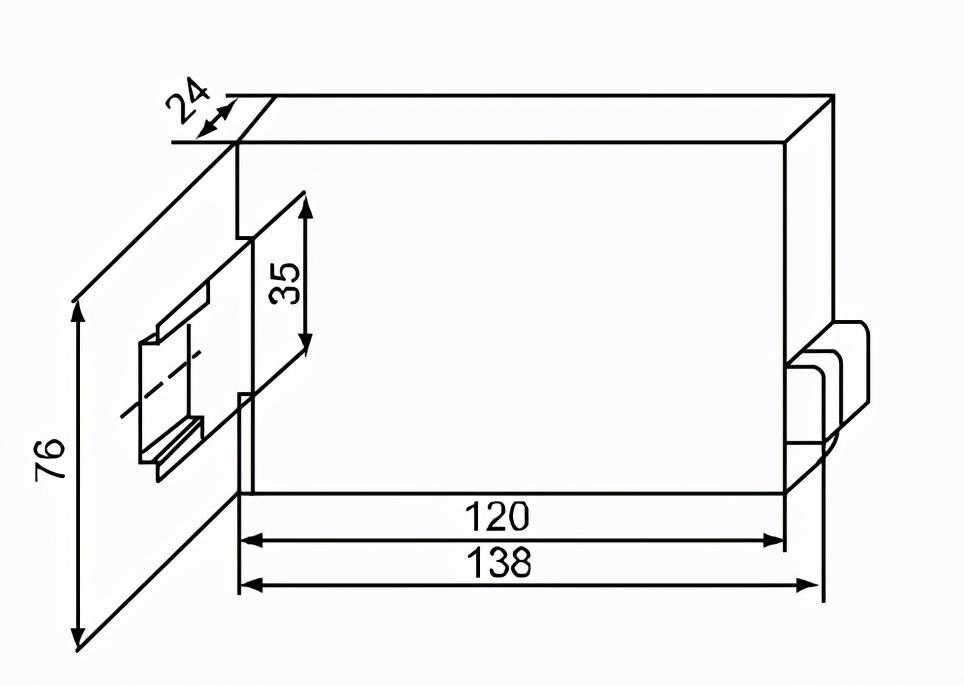
3)外形尺寸

4)接线方式

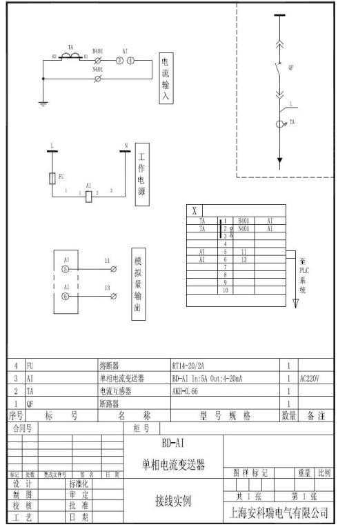
4接线实例
1)BD-AI

2)BD-3I3

5规格参数

