1.硬件接线
西门子基本型变频器SINAMICSV20可应用于恒压供水系统,本文提供具体的接线及简单操作流程。

2调试步骤
2.1工厂复位
当调试变频器时,建议执行工厂复位操作:
P0010=30
P0970=1
(显示50?时按下OK按钮选择输入频率,直接转至P304进入快速调试。)
2.2快速调试
快速调试参数操作流程



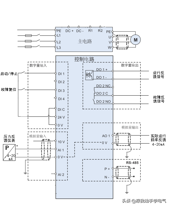
2.3输入输出端子相关参数设置
2.3.1DI端子设置
P0700[0]=2端子启动
P0701[0]=1DI1作为启动信号
P0703[0]=9DI3作为故障复位
2.3.2DO端子设置
P0731[0]=52.2DO1设置为运行信号
P0732[0]=52.3DO2设置为故障信号
=1DO2作为故障输出,有故障时NO触点闭合,
无故障时NO触点断开。
2.3.3AI端子设置
P0756[0]=2模拟量输入通道1,电流信号
P0757[0]=4模拟量输入通道1定标X1=4mA
P0758[0]=0模拟量输入通道1定标Y1=0%
P0759[0]=20模拟量输入通道1定标X2=20mA
P0760[0]=100模拟量输入通道1定标Y2=100%
P0761[0]=4模拟量输入通道1死区宽度4mA
2.3.4AO端子设置
P0771[0]=21模拟量输出通道1,设置为实际频率输出
P0773[0]=50模拟量输出通道1,滤波时间50ms
P0777[0]=0模拟量输出通道定标X1=0%
P0778[0]=4模拟量输出通道定标Y1=4mA
P0779[0]=100模拟量输出通道定标X2=100%
P0780[0]=20模拟量输出通道定标Y2=20mA
P0781[0]=4模拟量输出通道死区宽度4mA
2.4PID恒压控制功能调试
P2200[0]=1使能PID控制器
P2240[0]=X依用户需求设置压力设定值的百分比
P2253[0]=2250BOP作为PID目标给定源
P2274=0微分时间设置。通常微分需要关闭,设置为0
P2280=P参数比例增益设置(需要根据现场调试)
P2285=I参数积分时间设置(需要根据现场调试)
2.5其他可选功能
2.5.1斜坡启动、自由停车设置
P0701[0]=99端子DI1使用BICO连接功能
P0840[0]=722.0端子DI1设置为启动功能
P0852[0]=722.0端子DI1设置为脉冲使能

2.5.3休眠功能
V20变频器具有简单休眠功能:当需求频率低于阈值时电机停转,当需求频率高于阈值时电机启动。

P2365[0]=1休眠使能/禁止此参数使能或禁止休眠功能。
P2366[0]=t1电机停止前的延迟[s]在休眠使能的情况下,此参数
定义变频器进入休眠模式之前的延迟时间。
范围:0254(工厂缺省值:5)
P2367[0]=t2电机启动前的延迟[s]在休眠使能的情况下,此参数定义变频器
退出休眠模式之前的延迟时间。
范围:0254(工厂缺省值:2)
2.5.4捕捉启动功能
水泵启动前可能处在自由旋转状态,为避免启动时出现过电流,可设置捕捉启动功能:
P1200=1始终激活捕捉启动双方向有效;
P1202[0]=50以电机额定电流P305表示的搜索电流大小。
P1203[0]=100最大600ms的搜索时间
2.5.5BOP设置目标值记忆
P2231[0]=1设定值存储激活