正文

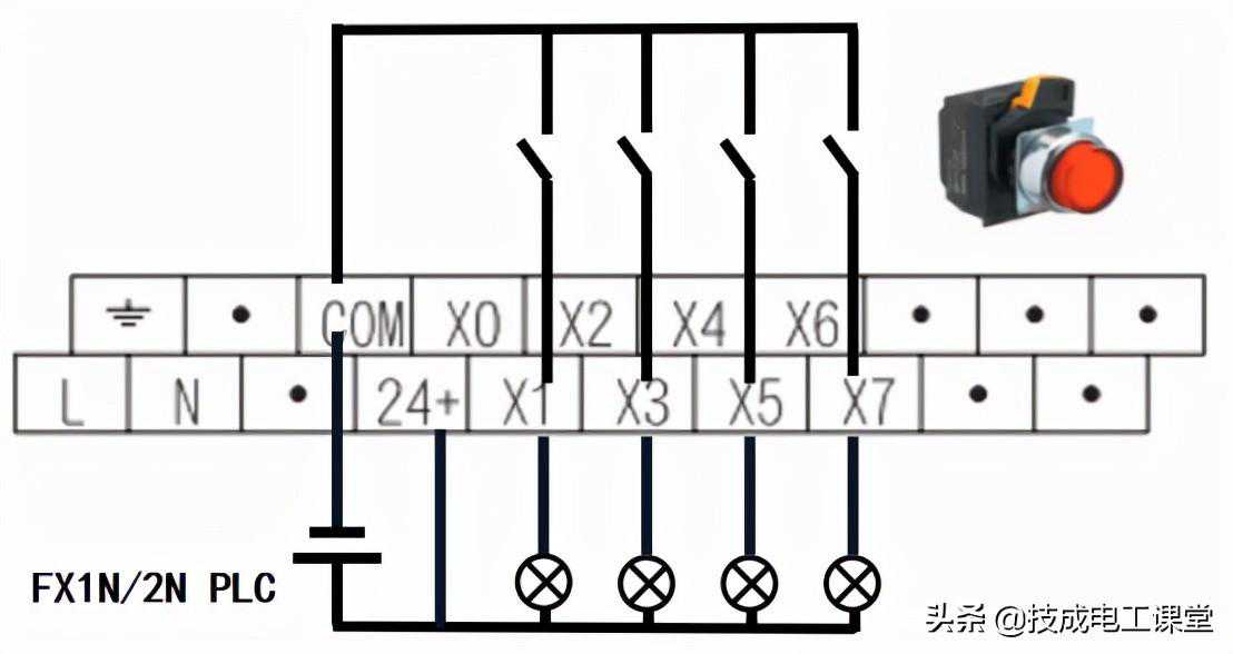
新手必看:三菱FX PLC输入接线

admin