低压电动机的控制方式存在着一定的薄弱环节,在连续性生产的企业中,当系统电压出现瞬间波动时容易引起大范围的晃电停机事故,给企业会带来重大的经济损失。市面上有多种抗晃电自启动设备,也都发挥出了积极的抗晃电作用,但也有各自的不足之处。
作者主要研究了一种基于小型PLC独立控制的电动机低电压自启动技术,这种技术不仅能够实现电动机自启动的主要控制功能,而且具有自启动技术智能化、人性化的重要特征。并通过仿真模拟实验验证了这种新的控制技术是可行的,具有较好的市场开发前景。

电动机是重要的工业生产驱动设备。按照电压等级的不同可分为高压和低压电动机。高压电动机通常在6~10kV电压等级运行,采用的是机械锁扣式的高压断路器控制方式;低压电动机在380V以下电压等级运行,采用的是交流接触器的电气自锁控制方式。
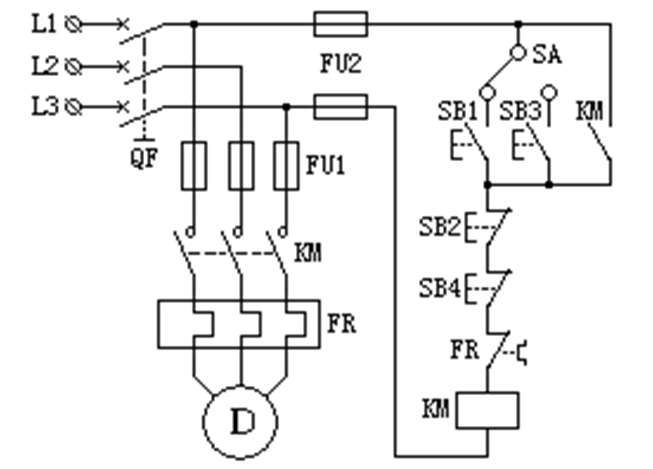
为了便于工艺操作,低压电动机往往采用两地控制的形式。图1就是低压电动机两地控制的原理接线图,左边是主回路,主要由空气开关QF、熔断器FU1、接触器KM的主触点、热保护继电器FR和电动机D等器件串联构成。右边是控制回路,主要由启动环节、停机环节和交流接触器线圈等器件组成。
其中,SA是两地选择开关,SB1~SB4分别是两地的启动和停机控制按钮。低压电动机这种典型的电气自锁控制方式,其抗“晃电”的作用十分薄弱。

图1低压电动机两地控制原理接线图
在雷电或其他因素的影响下,系统电压会出现瞬间下降,尔后又会迅速地恢复正常,这种现象称为“晃电”。虽然系统电压只是出现了瞬间下降,但是,控制低压电动机的交流接触器KM因电压过低、电磁线圈吸合乏力可能会自动释放,从而造成电动机的非故障停机。
当低压电动机停机后,必然会连锁将相应的高压电动机也停机。尤其对石油、石化行业影响更为严重,有时是一套或几套生产装置受影响,有时甚至是全厂的生产装置都受到影响。
如果想让电动机继续运行,传统的方法是依靠操作人员一台又一台去重新启动,考虑到工艺设备之间的相互协调与配合,无疑要花费相当长的时间。即便是引起生产装置的波动,要想恢复到正常的生产状态,少则需要几个小时,多则需要几天的时间。
现有抗“晃电”产品的缺陷“晃电”虽小,损失重大,必须设法减少“晃电”造成的危害。但“晃电”毕竟是由恶劣天气或偶然因素引起的,一般情况下只能补救不可消除。
补救的方法主要有两种:一是“晃电”时尽可能保持电动机不跳闸;二是跳闸后能够快速地实现自启动。围绕这两种方法,在市场上出现了不少抗“晃电”的产品,控制方式有继电器或锁扣式接触器;控制的核心元件有单片机或工控机;产地有进口的或国产的等。
根据企业用户的反映,这些抗“晃电”自启动设备的可靠性仍然不高。例如锁扣接触器在“晃电”时虽然不跳闸,但自启动的时间不好控制,有时手动操作会跳不开而烧毁接触器线圈;抗“晃电”继电器不能发出自启动是否成功的明确信号,不便于准确判断。其他类型的抗“晃电”设备,也存在着不同的问题[2-3]。
用PLC实现抗“晃电”控制的研究1主要技术要求
综合市场产品存在的问题和对抗“晃电”技术的研究,一个比较完善的抗“晃电”设备,必须能够解决以下问题:
①手动停机时不可自启动;
②保护动作跳闸后不可自启动;
③低电压超时或真正停电后不可自启动;
④短时晃电时可实现0s或者延时自启动;
⑤在晃电频繁的情况下,可实现连续地自启动;
⑥要有正常的电源监视信号和电动机运行信号指示灯;
⑦保护动作停机后要能够发出闪光报警信号;
⑧自启动成功后要能够发出闪光报警提示信号;
⑨自启动失败后也要能够发出闪光报警提示信号;
⑩要具有报警复位的功能。
2控制模型及流程图
图2是采用小型PLC独立实现电动机低电压自启动控制模型的原理框图,主要由主电路模块、低电压检测模块、二次控制模块和PLC模块等四部分组成。主电路模块和二次控制模块与图1的控制电路类似,不同的是在控制模块中取消了自锁环节,由PLC内部实现置位锁功能。
低电压检测模块主要是捕捉系统电压的晃电信息,PLC模块一是通过I/O端经过逻辑控制向二次控制模块发出控制指令,二是发出相应的报警信息。

图2控制模型原理框图
图3是小型PLC独立控制电动机低电压自启动的流程,主要由开、停机判断模块,晃电判断模块以及低电压超时判断等多个模块组成。当电动机开机运行正常后,即可开启自启动功能。
如果出现晃电停机,在没有超时的情况下,电动机就实现自启动,并发出自启动成功的闪光报警信号,然后重新进入新的自启动状态。如果晃电超时或者完全停电,就自动解除自启动功能,并发出自启动失败的闪光报警信号,然后通过报警复位后回到等待开机的状态。

图3电动机低电压自启动控制流程图
3PLC的配置
根据图1和图3的原理图,可以确定PLC控制的I/O分配表如下:

PLC控制的I/O分配表
从上表中可以看出,外部的输入信号有9个,输出信号有5个,I/O总点数比较少,只有14个,适合于选择小型的PLC进行控制。所以,可选择型号规格为CPU224CN14/10的西门子PLC。
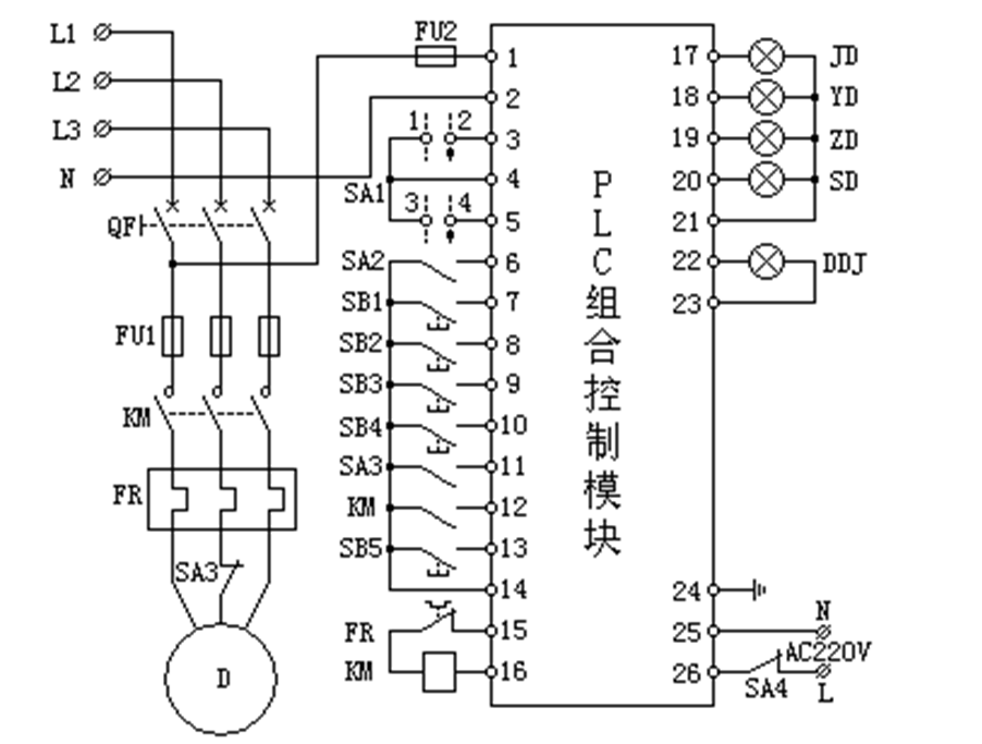
根据图1、图3的控制原理和I/O分配表,自启动模拟实验外部接线图设计如图4所示。

图4自启动模拟实验外部接线图
图4中SA1是低电压实验转换开关,SA2是两地选择开关,SA3是模拟保护动作开关,SA4是PLC工作电源实验开关,SB5是报警复位按钮,DDJ是模拟电动机的实验指示灯。
根据图3所示的电动机低电压自启动控制流程图,其梯形图的设计可分为运行判断模块、低电压判断模块、延时控制模块、主控制模块以及报警指示信号模块等五大部分。
其中主控制模块采用复位优先指令SR来设计。运行判断模块的作用主要是判断电动机的启动与停机状态,为自启动做准备。低电压判断模块的作用主要是捕捉系统的瞬间晃电现象,为自启动计时和执行提供条件。
延时控制模块的作用主要是判断系统晃电时间的长短以及确定延时自启动的时间。主控模块的作用主要是实现电动机的正常开机、正常停机、保护停机以及最重要的自启动开机等相关功能。
报警指示信号模块的作用主要是对PLC的电源状态、电动机的运行状态、故障跳闸状态以及低电压自启动成功与失败的状态及时准确地发出相应的指示信号或报警信号。根据PLC控制功能的要求,全部的梯形图总共由12个网络模块组成。程序设计好并下载到PLC之后即可投入使用。
仿真模拟运行与控制功能的验证综合以上各部分的分析,我们设计制作了电动机低电压自启动试验台如图5所示,其中图5(a)是控制面板,图5(b)是控制箱的外形。

图5电动机低电压自启动试验台
1仿真模型介绍
在图5(a)中,左边是电动机的配电单线图,右边是控制屏。其中SA1是低电压自启动试验转换开关,向左转45°可以模拟出现低电压,再打回来可模拟电压恢复正常,此时可以模拟电动机的自启动。
SB5是报警信号的复位按钮,DDJ是专门用于模拟电动机运行的指示灯。JD是电源监视指示灯,当PLC送电正常后JD灯长亮。YD是电动机的运行指示灯,当电动机启动运行后YD灯长亮,若出现过载保护停机YD灯会闪光报警。
ZD是电动机自启动成功指示灯,若自启动成功,ZD灯就闪光报警。SD是电动机自启动失败指示灯,若晃电时间超过了自启动的允许时间,说明自启动失败,自启动将被解除,而SD灯会闪光报警。SB1~SB4是主控和现场的开、停机控制按钮。SA2是两地选择开关,SA3用于模拟过载保护动作,SA4模拟PLC外部电源断电,SA5模拟意外停机。
2模拟运行与功能的验证
模拟运行与功能验证的实际情况如图6所示。

图6模拟运行与功能验证实物图
验证过程如下:首先给试验箱送上电源,若是220V电源可以直接用DDJ指示灯模拟电动机,若是380V电源可直接接上4.5kW的电动机运行。然后给上试验箱内的空气开关QF,并合上PLC运行开关,如图6(a)所示,电压监视指示灯JD长亮。将SA2选择开关打到上方,按下SB1按钮模拟主控开机,如图6(b)所示,电动机运行的指示灯YD和模拟电动机指示灯DDJ长亮,说明电动机启动运行正常。
如果选择按下SB2或者SB4按钮,YD和DDJ灯就会熄灭,模拟电动机正常停机,此时电动机并不会自启动;如果选择将SA3开关打向上方,模拟电动机过载跳闸,此时DDJ灯熄灭,而YD灯闪光报警,此时电动机同样不会自启动。当将SA3开关即事故模拟信号复位后,YD灯就会自动熄灭,故障报警解除。
自启动成功功能的验证:重新按下SB1按钮模拟主控开机,YD、DDJ灯长亮,此时将SA1转换开关打向左边,则JD、YD、DDJ三盏灯全熄灭,用于模拟系统出现低电压晃电跳机的故障。
在设定的晃电超时时间内,再将SA1试验选择开关打回右边,模拟系统电压恢复正常,如图6(c)所示,经过预先设定的自启动延时时间后,JD、YD、DDJ三盏指示灯长亮,而自启动成功指示灯ZD闪光报警,说明电动机经过低电压晃电后自启动成功。如果多次进行相同的试验,效果是一样的,说明可以实现连续的成功自启动。即使不对ZD指示灯复位也不影响后续的自启动功能。如果按下SB5按钮就可以将ZD指示灯复位。
晃电超时时间可根据工艺允许的关键机组最长的停机时间来设定,本试验设定为8s。自启动延时时间可根据电气允许的启动电流要求来设定。如果用于关键机组,可将自启动的延时时间设定为0秒,只要在超时时间内系统电压一恢复,关键机组就可以立即自启动。如果用于次要机组,可根据电气所允许的启动电流要求,将自启动的延时时间顺延若干秒,本试验设定的自启动时间为3秒。
自启动失败功能的验证:在前面自启动成功的基础上将ZD灯复位后就变成了与正常运行相同的状态,此时将试验转换开关SA1打向左边,等待模拟停电的时间超过晃电设定的时间后,再将SA1打回原位,如图6(d)所示,此时只有电源指示灯JD长亮,而自启动失败指示灯SD闪光报警。说明系统电压晃电的时间过长,超出了工艺所允许自启动的最长时间,不能再进行自启动了,否则会带来新的安全事故。
需要注意的是,在自启动失败SD灯闪光报警的情况下,考虑到生产工艺安全方面的原因,如果没有将失败报警指示灯SD复位,电动机是不允许再进行手动重新启动的。也就是说,当自启动失败后,必须先将自启动失败指示灯SD复位,然后才能重新开机。
3控制装置的技术要求
根据对PLC控制的电动机低电压自启动装置的试验结果验证,为了确保电动机能稳定可靠地实现自启动,建议对PLC提供独立的工作电源。根据PLC的型号不同,选择直流或者交流工作电源均可。
另外,建议采用正宗品牌的西门子PLC,不要采用国产仿制的类似产品,因为正宗品牌的性能稳定,运行更可靠。
结语通过多种方式的仿真模拟验证,证明采用小型PLC独立控制技术实现电动机的低电压自启动是完全可行的、可靠的。不仅能够实现电动机自启动的主要控制功能,而且能够发出多种指示信号,具有自启动技术智能化、人性化的重要特征。
该项技术既可以用于单台机的独立自启动,也可以用于多台机分布式的群机分批自启动。既可以用于两地控制,也可以用于一地控制。一旦投入实际应用,必将会带来较好的经济效益和社会效益,值得市场的期待。
:hover{text-decoration:none;}/*pc样式*/.pgc-card{box-sizing:border-box;height:164px;border:1pxsolide8e8e8;height:120px;position:absolute;right:76px;top:20px;}.pgc-cover{position:absolute;width:162px;height:162px;top:0;left:0;background-size:cover;}.pgc-content{overflow:hidden;position:relative;top:50%;-webkit-transform:translateY(-50%);transform:translateY(-50%);}.pgc-content-title{font-size:18px;color:444;overflow:hidden;text-overflow:ellipsis;padding-top:9px;overflow:hidden;line-height:1.2em;display:-webkit-inline-box;-webkit-line-clamp:2;-webkit-box-orient:vertical;}.pgc-content-price{font-size:22px;color:406599;font-size:14px;text-align:center;}.pgc-buy-text{padding-top:10px;}.pgc-icon-buy{height:23px;width:20px;display:inline-block;background:url();}PLC电工实物接线全图解
¥39.9
购买