(1)三菱PLC基础学习
(2)输出接口电路的隔离方式

(3)输出接口电路的主要技术参数
a.响应时间响应时间是指PLC从ON状态转变成OFF状态或从OFF状态转变成ON状态所需要的时间。继电器输出型响应时间平均约为10ms;晶闸管输出
型响应时间为1ms以下;晶体管输出型在0.2ms以下为最快。
b.输出电流继电器输出型具有较大的输出电流,AC250V以下的电路电压可
驱动纯电阻负载2A/1点、感性负载80VA以下(AC100V或AC200V)及灯负载100W以下(AC100V或200V)的负载;Y0、Y1以外每输出1点的输出电流是0.5A,但是由于温度上升的原因,每输出4合计为0.8A的电流,输出晶体管的ON电压约为1.5V,因此驱动半导体元件时,请注意元件的输入电压特性。Y0、Y1每输出1点的输出电流是0.3A,但是对Y0、Y1使用定位指令时需要高速响应,
因此使用10—100mA的输出电流;晶闸管输出电流也比较小,FX1S无晶闸管输出型。
c.开路漏电流开路漏电流是指输出处于OFF状态时,输出回路中的电流。继
电器输出型输出接点OFF是无漏电流;晶体管输出型漏电流在0.1mA以下;晶闸管较大漏电流,主要由内部RC电路引起,需在设计系统时注意。(4)输出公共端(COM)公共端与输出各组之间形成回路,从而驱动负载。FX1S有1点或4点一个公共端输出型,因此各公共端单元可以驱动不同电源电压系
统的负载。
5.电源
PLC的电源在整个系统中起着十分重要得作用。如果没有一个良好的、可靠得电源
系统是无法正常工作的,因此PLC的制造商对电源的设计和制造也十分重视。一般交流
电压波动在+10%(+15%)范围内,可以不采取其它措施而将PLC直接连接到交流电网上去。如FX1S额定电压AC100V—240V,而电压允许范围在AC85V—264V之间。允许
瞬时停电在10ms以下,能继续工作。
一般小型PLC的电源输出分为两部分:一部分供PLC内部电路工作;一部分向外提供给现场传感器等的工作电源。因此PLC对电源的基本要求:
1)能有效地控制、消除电网电源带来的各种干扰;
2)电源发生故障不会导致其它部分产生故障;
3)允许较宽的电压范围;
4)电源本身的功耗低,发热量小;
5)内部电源与外部电源完全隔离;
6)有较强的自保护功能。
PLC
由于PLC以微处理器为核心,故具有微机的许多特点,但它的工作方式却与微机
有很大不同。微机一般采用等待命令的工作方式,如常见的键盘扫描方式或I/O扫描方,
若有键按下或有I/O变化,则转入相应的子程序,若无则继续扫描等待。
PLC则是采用循环扫描的工作方式。对每个程序,CPU从第一条指令开始执行,按指令步序号做周期性的程序循环扫描,如果无跳转指令,则从第一条指令开始逐条执
行用户程序,直至遇到结束符后又返回第一条指令,如此周而复始不断循环,每一个循
环称为一个扫描周期。扫描周期的长短主要取决于以下几个因素:一是CPU执行指令
的速度;二是执行每条指令占用的时间;三是程序中指令条数的多少。一个扫描周期主
要可分为3个阶段。
1.输入刷新阶段
在输入刷新阶段,CPU扫描全部输入端口,读取其状态并写入输入状态寄存器。
完成输入端刷新工作后,将关闭输入端口,转入程序执行阶段。在程序执行期间即使输
入端状态发生变化,输入状态寄存器的内容也不会改变,而这些变化必须等到下一工作
周期的输入刷新阶段才能被读入。
2.程序执行阶段
在程序执行阶段,根据用户输入的控制程序,从第一条开始逐步执行,并将相应
的逻辑运算结果存入对应的内部辅助寄存器和输出状态寄存器。当最后一条控制程序执
行完毕后,即转入输入刷新阶段。
3.输出刷新阶段
当所有指令执行完毕后,将输出状态寄存器中的内容,依次送到输出锁存电路(输
出映像寄存器),并通过一定输出方式输出,驱动外部相应执行元件工作,这才形成PLC
的实际输出。
由此可见,输入刷新、程序执行和输出刷新三个阶段构成PLC一个工作周期,由此循环往复,因此称为循环扫描工作方式。由于输入刷新阶段是紧接输出刷新阶段后马上
进行的,所以亦将这两个阶段统称为I/O刷新阶段。实际上,除了执行程序和I/O刷新
外,PLC还要进行各种错误检测(自诊断功能)并与编程工具通讯,这些操作统称为“监
视服务”,一般在程序执行之后进行。综上述,PLC的扫描工作过程如图1—4所示。

显然扫描周期的长短主要取决于程序的长短。扫描周期越长,响应速度越慢。由于每个
扫描周期只进行一次I/O刷新,即每一个扫描周期PLC只对输入、输出状态寄存器更
新一次,所以系统存在输入输出滞后现象,这在一定程度上降低了系统的响应速度。但
是由于其对I/O的变化每个周期只输出刷新一次,并且只对有变化的进行刷新,这对一
般的开关量控制系统来说是完全允许的,不但不会造成影响,还会提高抗干扰能力。这
是因为输入采样阶段仅在输入刷新阶段进行,PLC在一个工作周期的大部分时间是与
外设隔离的,而工业现场的干扰常常是脉冲、短时间的,误动作将大大减小。但是在快
速响应系统中就会造成响应滞后现象,这个一般PLC都会采取高速模块。
总之,PLC采用扫描的工作方式,是区别于其他设备的最大特点之一,我们在学
习和使用PLC当中都应加强注意。
FX1S
Fx系列PLC个部分含义:

若特殊品种缺省,通常指AC电源、DC输入、横式端子排,其中继电器输出:2A/1点;晶体管输出:0。5A/1点;晶闸管输出:0。3A/1点。
例如FX2N---40MRD,其参数含义为三菱FX2NPLC,有40个I/O点的基本单元,继电器输出型,使用DC24V电源。
FX1s性能规格:
项目规格备注运转控制方法通过储存的程序周期运转
批次处理方法(当执行I/O控制方法I/O指令可以刷新END指令时)
基本指令:0.55至0.7μs运转处理方法应用指令:3.7至几百μs编程语言逻辑梯形图和指令清单使用步进梯形图能生成SFC类型程序程式容量内置2K步EEPROM存储盒(FX1n-EEPROM-8L)可选
基本顺序指令:27
指令数目步进梯形指令:2最大可用167条应用指令,包括所有的变化
应用指令:85I/O配置最大总I/O由主处理单元设置
一般384点M0到M383辅助继电
器锁定128点(子系统)M384至M511
(M线圈)特殊256点M8000至8255
状态继电一般128点S0至S127器初始10点(子系统)S0至S9(S线圈)
范围:0至3276.7秒63100毫秒T0至T55点
范围:0至3276.7秒31定时器(T)10毫秒当特殊M线圈工作时T32到T62点
范围:0.001至32.767秒11毫秒T163点
C0至C15一般范围:1至32767数16点类型:16位增计数器计数器(C)C16至C31锁定范围:1至32767数16点类型:16位增计数器
C235至C238范围:单相4点(注意C235被锁定)-2147483648+2147483648
数单相c/w起高速计数Fxo:选择多达4个单相计始C241(锁定上)C242和C244(锁定)3点器(C)数器,组合计数频率不停止输入大于5KHz.或选择一个比
相或A/B相计数器,组合双相C241、C247和C249(都锁定)3点计数频率不大于2KHz.
FXos:当使用多个单相计
数器时,频率和必须不
大于14KHz.只允许单.双
相高速计数器同时使
用。当使用双相计数器时,A/B相C251、C252和C254(都锁定)3点最大遍数速度必须不
大于14KHz,计算为(遍
数边数为5时,2ph计数
器速度)+1ph计数器速
度。
D0至D127一般128点类型:32位元件的16位数据存储寄存器
D128至255锁定128点类型:32位元件的16位数据存储寄存器数据寄存通过外部设置电位计间接输入D8013外部调节范围:0至2552点器(D)或D8030D803114数据
256点(包含D8030,从D8000至D8255特殊D8031)类型:16位数据存储寄存器
V和Z变址16点类型:16位数据存储寄存器指标(P)用于CALL64点N0至P63
100*至130*用于中断6点(上升触发*=1,下降触发*=0)嵌套层次用于MC和MRC时8点N0至N7
16位:-32768至32768十进位K32位:-2147483648至+2147483647常数16位:0000至FFFF十六进位H32位:00000000至FFFFFFFF
1.可编程序控制器的定义是什么?
2.可编程序控制器有哪些主要特点?
3.可编程序控制器的主要功能有哪些?
4.可编程序控制器由哪几部分组成?各有什么作用?
5.PLC的工作方式是什么?说明工作原理。
FX1S
一、FX1s可编程控制器一般软元件的种类和编号如下所示,因为和其他FX系列可编程控制器的内容不同,请注意区别:
FX1s-10MFX1s-14MFX1s-20MFX1s-30M输入继电器X000~X005X000~X007X000~X013X000~X017
X6点8点12点16点输出继电器Y000~Y003Y000~Y005Y000~Y007Y000~Y015
Y4点6点8点14点
辅助继电器M0~M383【M384~M511】M8000~M8255
M384点128点保持用256点※1
一般用特殊用
S0~S127【S0~S127】
状态128点保持用128点
S初始化用S0~S9
保持用原点回归用S10~S127
定时器T0~T31T32~T62【T63】内置电位器2点
T32点100ms31点10ms1点VR1:D8030
M8028置ON1ms累计VR2:D8031
16位增量记数32位高速可逆计数器最大6点
C0~C15[C16~C31][C235~C245][C246~C250][C251~C255]计数器C16点16点一般用保持用单相单输入单相双输入双相输入
[D1000~D2499]
1500点D8000~D82455V0~V7数据寄存器D0~D127[D128~D255]文件专用Z0~Z7
128点保持用文件用256点※116点D,V,Z一般用参数设定,可设
定为文件寄存特殊用变址用
器
P0~P63100※~105※
N0~N764点6点嵌套指针8点跳转指令、子程序用跳转
主控用地址指针输入中断用指针常数K16位-32768~3276732位-2147483648~2147483647
H16位0~FFFFH32位0~FFFFFFFH
【】内的软元件是停电保持区域(keepArea),保持区域的范围是不能变更的。
:※1.对应功能请参照特殊软元件编号一览表。
为了能可靠保持,可编程控制器连续通电时间必须在5分钟以上。
二、特殊软元件,FX1s可编程控制器特殊软元件的种类及其功能如下:如[M][D]这样有[]括起的软元件和未使用的软元件,或没有记载的未定义的软元件,请不要对它们进行程序驱
动或数据写入。
*1:RUN——STOP时清除;*2:STOP——RUN时清除;*3:停电保持;*4:END指令结束处
理;*5:22(FX1s)100(版本号1。00);*6:0002=2K步;*7:02H=存储盒(PROTECTOFF)0AH=存储盒(PROTECTON)10H=可编程序控制器内置EEPROM存贮器;*8:M8062除外;*9:用公历的后二位表示,也可以切换成公历四位表示,当用四位表示时可表示从1980—2079年为止;*10:适用于RS、ASCI、HEX、CCD指令。
PC状态:
编号名称备注编号名称备注[M8000]RUN监控RUN时常闭D8000监视定时器初期值200ms[M8001]RUN监控RUN时常开[D]8001PC类型和版本*5[M8002]初始化脉冲RUN后输出一个扫描周[D]8002存储器容量*6
期的ON
[M]8003初始化脉冲RUN后输出一个扫描周[D]8003存储器种类*7
期的OFF
[M]8004出错发生M8060~M8067检知*8[D]8004出错特殊M的M8060~M8067
编号
[M]8005[D]8005[M]8006[D]8006[M]8007[D]8007[M]8008[D]8008[M]8009[D]8009
时钟
编号名称备注编号名称备注[M]8010以10ms为周期振荡[D]801扫描时间当前值(单位含恒定
00.1ms)扫描等
待时间[M]801110ms时钟以100ms为周期振荡[D]801最小扫描时间(单位
10.1ms)
[M]8012100ms时钟以1s为周期振荡[D]801最大扫描时间(单
2位.01ms)
[M]80131s时钟以1min为周期振荡D80130~59秒预置值或当前值时钟误
差?45[M]80141min时钟D80140~59分预置值或当前值
秒/月[M]8015计时停止和预置D80150~23小时预置值或当前
(25?)值
有闰年[M]8016停止显示时间D80160~31日
修正.[M]8017?30秒修正D80170~12月预置值或当前值[M]8018RTC检出常闭D8018公历年二位预置值或当
前值表示的
[M]8019RTC出错D8018星期0(一)-6(六预置值
或当前值)D8013~D8019是停电保持.D8018(年)也可以切换成公历1980~2079的4位表示.
PLC
PLC的程序输入通过手持编程器、专用编程器或计算机完成。手持编程器体积小,携
带方便,在现场调试时优越性强,但在程序输入、阅读、分析时较繁锁;而专用编程器价格
太贵,通用性差;计算机编程在教学中优势较大,且其通讯更为方便。因此也就有了相应的
计算机平台上的编程软件和专用通讯模块,在这节当中我们重点介绍三菱fx系列编程软件的使用和操作。
三菱公司fx系列plc编程软件名称为fxgpwin,我们介绍版本为SW0PC-FXGP/(C)1996MITSUBISHIELECTRICCORPORATION,其具体应用说明如下:
1.Fxgpwin编程软件对FX0/FX0S、FX1S、FX1N、FX0N、FX1FX2N/FX2NC和FX
(FX2/FX2C)系列三菱plc编程及其它操作。下图为软件的文件组成:

1)进入fxgpwin的编程环境
双击桌面fxgpwin图标或按table键选择到图标fxgpwin,即可进入编程环境。
2)编程环境如下图

3)编写新程序,新建文件

出现PLC选型界面

选择好PLC型号后按确认键即可进入编辑界面,在视图中可以切换梯形图、指令表等

建立好文件后就可以在其中编写程序了。
4)程序的保存在“文件“菜单下的“另存为“下即可。5)PLC程序上载,传入PLC。
其次是PLC通上电源(POWER)指示灯亮,打开菜单“PLC“——“传送“——“写出“确认。

出现程序写入步数范围选择框图,确认后即可:

6)PLC程序下载一样,在上述操作中选择“读入“,其他操作不变。
7)程序打开打开菜单“文件““打开“,出现界面,选择要打开的程序,确定即可。

1)编程语言的选择
FXGPWIN软件提供三种编程语言,分别为梯形图、指令表、SFC状态流程图。打开“视图“菜单,选择对应的编程语言。
2)梯形图编辑时如图

3)编写程序可通过功能栏来选择,也可以直接写指令进行程序编写。主要是熟悉菜单
下各功能子菜单。
4)梯形图编写需进行转换,在工具菜单下选择或按F4键,转换完毕即可进行上载调

试,注意端口设置。5)程序的检查
在“选项“菜单下的“程序检查“,即进入程序检查环境,可检查语法错误、双线圈、

电路错误。
3.软元件的监控和强制执行
在FXGPEIN操作环境下,可以监控各软元件的状态和强制执行输出等功能。
元件监控功能界面:

强制输出功能界面:

强制ON/OFF功能界面:

主要在“监控/测试“菜单中完成。
4.其他各功能在操作过程中在帮助菜单中熟悉。

5.梯形图常用项具体操作
(1)剪切(梯形图编辑):
功能:将电路块单元剪切掉.
操作方法:通过[编辑]-[块选择]菜单操作选择电路块.在通过[编辑]-[剪切]菜单操作或[Ctrl]+[X]键操作,被选中的电路块被剪切掉.被剪切的数据保存在剪切板中.
警告:如果被剪切的数据超过了剪切板的容量,剪切操作被取消.(2)粘贴(梯形图编辑):
功能:粘贴电路块单元.
操作方法:通过[编辑]-[粘贴]菜单操作,或[Ctrl]+[V]键操作,被选择的电路块被粘贴上.被粘贴上的电路块数据来自于执行剪切或拷贝命令时存储在剪切板上
的数据.
通过[编辑]-[粘贴]菜单操作或[Ctrl]+[V]键操作,被选中的电路块被粘贴.被粘贴的数据是在执行剪切或拷贝操作
时被保存在剪切板中的数据.
警告:如果剪切板中的数据未被确认为电路块,剪切操作被禁止.(3)拷贝(梯形图编辑):
功能:拷贝电路块单元.
操作方法:通过[编辑]-[块选择]菜单操作选择电路块.在通过[编辑]-[拷贝]菜单操作或
[Ctrl]+[C]键操作,被选中的电路块数据被保存在剪切板中.
警告:如果被拷贝的数据超过了剪切板的容量,拷贝操作被取消.(4)行删除(梯形图编辑):
功能:在行单元中删除线路块.
操作方法:通过执行[编辑]-[行删除]菜单操作或[Ctrl]+[Delete]键盘操作,光标所在行的线路块被删除.
警告:1.该功能在创建(更正)线路时禁用.需在完成线路变化后执行.2.被删除的数据并未存储在剪切板中.
(5)行删除(梯形图编辑):
功能:在行单元中删除线路块.
操作方法:通过执行[编辑]-[行删除]菜单操作或[Ctrl]+[Delete]键盘操作,光标所在行的线路块被删除.
警告1.该功能在创建(更正)线路时禁用.需在完成线路变化后执行.
2.被删除的数据并未存储在剪切板中.
(6)删除(梯形图编辑):
功能:删除电路符号或电路块单元.
操作方法:通过进行[编辑]-[删除]菜单操作或[Delete]键操作删除光标所在处的电路符号
欲执行修改操作,首先通过执行[编辑]-[块选择]菜单操作选择电路块.在通过[编辑]-[删除]
菜单操作或[Delete]键操作,被选单元被删除。
警告1。被删除的数据并不在剪切板中。
(7)行插入(梯形图编辑):
功能:插入一行.
操作方法:通过执行[编辑]-[行插入]菜单操作,在光标位置上插入一行.(8)触点
[工具(Alt+T)]-[触点(Alt+n)]-[-||-]
[工具(Alt+T)]-[触点(Alt+n)]-[-|/|-]
[工具(Alt+T)]-[触点(Alt+n)]-[-|P|-]
[工具(Alt+T)]-[触点(Alt+n)]-[-|F|-]
功能:输入电路符号中的触点符号.
操作方法:在执行[工具]-[触点]-[-||-]菜单操作时,选中一个触点符号,显示元件输入对话框.
(9)线圈
[工具(Alt+T)]-[线圈(Alt+o)]
功能:在电路符号中输入输出线圈.
(10)功能指令线圈:
[工具(Alt+T)]-[功能]
功能:输入功能线圈命令等.
操作方法:在执行[工具]-[功能]菜单操作时,命令输入对话框显出.在输入栏中输入元件,
(11)连线
[工具(Alt+T)]-[连线(Alt+W)]-[|]
[工具(Alt+T)]-[连线(Alt+W)]-[-]
[工具(Alt+T)]-[连线(Alt+W)]-[-/-]
[工具(Alt+T)]-[连线(Alt+W)]-[|删除]
功能:输入垂直及水平线,删除垂直线.
操作方法:垂直线被菜单操作[工具]-[连线]-[|]登录,水平线被菜单操作[工具]-[连线]-
[-]登录,翻转线菜单操作[被工具]-[连线]-[-/-]登录,垂直线被菜单操作[工具]-[连线]-
[|删除]删除.
(12)全部清除:
[工具(Alt+T)]-[全部清除(Alt+A)]
功能:清除程序区(NOP命令).
执行清除过程.
警告1.所清除的仅仅是程序区,而参数的设置值未被改变.
(13)转换(梯形图编辑):
[工具(Alt+T)]-[转换(Alt+C)]
功能:将创建的电路图转换格式存入计算机中.
操作方法:执行[工具]-[转换]菜单操作或按[转换]按钮(F4键).在转换过程中,显示信息电路转换中.
警告1.如果在不完成转换的情况下关闭电路窗口,被创建的电路图被抹去.
(14)梯形图监控:
[监控/测试(Alt+M)]-[开始监控(Alt+S)]
功能:在显示屏上监视可编程控制器的操作状态.从电路编辑状态转换到监视状态,同时在显示的电路图中显示可编程控制器操作状态(ON/OFF).
操作方法:激活梯形图视图,通过进行菜单操作进入[监控/测试]-[开始监控].
警告1.在梯形图监控中,电路图中只有ON/OFF状态被监控.
2.当监控当前值以及设置寄存器,计时器,计数器数据时,应使用依据登录监控功能(15)程序传送:
[PLC]-[传送(Alt+T)]
功能:将已创建的顺控程序成批传送到可编程控制器中.传送功能包括[读入],[写出]及[校验].[读入]:将PLC中的顺控程序传送到计算机中.
[写出]:将计算机中的顺控程序发送到可编程控制器中.
[校验]:将在计算机及可编程控制器中顺控程序加以比较校验.
操作方法:由执行[PLC]-[传送]-[读入],-[写出],-[校验]菜单操作而完成.当选择[读入]时,应在[PLC模式设置]对话框中将已连接的PLC模式设置好.
警告1.计算机的RS232C端口及PLC之间必须用指定的缆线及转换器连接.2.执行完[读入]后,计算机中的顺控程序将被丢失,PLC模式被改变成被设定的模式,现有的顺控程序被读入的程序替代.
3.在[写出]时,PLC应停止运行,程序必须在RAM或EE-PROM内存保护关断的情况下写出.然后机动进行校验.
(16)PLC存储器清除:
[PLC]-[PLC存储器清除(Alt+P)]
功能:为了初始化PLC中的程序及数据.以下三项将被清除.
[PLC储存器]:顺控程序为NOP,参数设置为缺省值.
[数据元件存储器]:数据文件缓冲器中数据置零.
[位元件存储器]:X,Y,M,S,T,C的值被置零.
操作方法:执行[PLC]-[PLC存储器清除]菜单操作,再在[PLC存储器清除]中设置清除项.
警告1.计算机的RS232C端口及PLC之间必须用指定的缆线及转换器连接.2.特殊数据寄存器数据不被清除.
1.列表写出FX1s—20MR的软元件种类及编号。
2.特殊辅助继电器描述。
可编程序控制器是按照用户的控制要求编写程序来进行控制的。程序的编写就是用一定
的编程语言把一个控制任务描述出来。PLC编程语言中,程序的表达方式有几种:梯形图、
指令语句表、逻辑功能图和高级语言,但最常用的语言是梯形图语言和指令语句表。梯形图
是一种图形语言,它沿用了传统的继电器控制系统的形式,读图方法和习惯也相同,所以梯
形图比较形象和直观,便于熟悉继电器控制系统的技术人员接受。指令语句表一般由助记符
和操作元件组成,助记符是每一条基本指令的符号,表示不同的功能;操作元件是基本指令
的操作对象。本章内容主要是介绍FX1S的基本指令形式、功能和编程方法。
基本指令一览表
:基本指令.步进梯形图指令FX1S可编程序控制器的基本顺控指令和步进
梯形图指令的种类及其功能如下所示:
助记符功能格式和操作软元件

LD常开触点逻辑运算起始(常开触点与左
取母线连接)


LDI常闭触点逻辑运算起始(常闭触点与左
取反母线连接)LDP上升沿检测(检测到信号的上升沿时

取脉冲闭合一个扫描周期)上升沿
LDF下降沿检测(检测到信号的下降沿时
取脉冲闭合一个扫描周期)下降沿

AND串联连接(常开触点与其他触点或触点

与组串联连接)
ANI串联连接(常闭触点与其他触点或触点

与非组串联连接)ANDP上升沿串联连接(检测到位软元件上升
与脉冲沿信号时闭合一个扫描周期)

上升沿
ANDF下降沿串联连接(检测到位软元件下降
与脉冲沿信号时闭合一个扫描周期)下降沿

OR并联连接(常开触点与其他触点或触点
或组

并联连接)
ORI并联连接(常闭触点与其他触点或触点
或非组并联连接)ORP脉冲上升沿检测并联连接(检测到位软

或脉冲元件上升沿信号时闭合一个扫描周期)
上升沿

ORF脉冲下降沿检测并联连接(检测到位软
或脉冲元件下降沿信号时闭合一个扫描周期)
下降沿

ANB并联电路块的串联连接(电路块与其他
电路块与触点或触点组串联连接)

ORB串联电路块的并联连接(电路块与其他
电路块或触点或触点组并联连接)OUT线圈驱动

输出

SET使线圈接通并保持动作
置1

RST使线圈断开,消除动作保持,寄存器清
复零零

PLS上升沿微分输出(当检测到输入脉冲的
上升沿上升沿时,指令的操作元件闭合一个扫
脉冲描周期)

PLF下降沿微分输出(当检测到输入脉冲的

下降沿下降沿时,指令的操作元件闭合一个扫
脉冲描周期)
MC公共串联接点的连接(将左母线临时移

主控指令到一个所需位置,产生一临时左母线,
形成主控电路块)
MCR公共串联接点的消除(取消临时左母
主控复位线,将左母线返回到原来的位置,结束

主控电路块)
MPS进栈(将逻辑运算结果存入栈存储器,
进栈指令存储器中原来的存储结果依次向栈存
储器下层推移)
MRD读栈(将存储器一号单元的内容读出,
读栈指令且詹存储器中的内容不发生变化)
MPP出栈9将存储器中一号单元的结果取
出栈指令出,存储器中其他单元的数据依次向上

推移)
INV运算结果取反
取反NOP无动作

空操作
输入输出处理以及返回到0步结束
STL步进接点开始(将步进接点接到左母
步进接点线)

RET步进接点开始(使副母线返回到原来的
步进结束左母线位置)
FX1S的基本指令形式、功能和编程方法。基本指令是以位为单位的逻辑操作,是构成
继电器控制电路的基础
LDLDIOUT
符号名称功能操作元件LD取常开触点逻辑运算起始X、Y、M、S、T、CLDI取反常闭触点逻辑运算起始X、Y、M、S、T、COUT输出线圈驱动Y、M、S、T、C1.程序举例:

2.例题解释:1)当X0接通时,Y0接通;
2)当X1断开时,Y1接通。
3.指令使用说明:
1)LD和LDI指令用于将常开和常闭触点接到左母线上;
2)LD和LDI在电路块分支起点处也使用;
3)OUT指令是对输出继电器、辅助继电器、状态继电器、定时器、计数器的线圈驱动指
令,不能用于驱动输入继电器,因为输入继电器的状态是由输入信号决定的。

4)OUT指令可作多次并联使用,如下图。
5)定时器的计时线圈或计数器的计数线圈,使用OUT指令后,必须设定值(常数K或指定数据寄存器的地址号),如上图。
ANDANI
符号名称功能操作元件
AND与常开触点串联连接X、Y、M、S、T、C
ANI与非常闭触点串联连接X、Y、M、S、T、C1.程序举例:

2.例题解释:1)当X0接通,X2接通时Y0接通;
2)X1断开,X3接通时Y2接通;
3)常开X4接通,X5断开时Y3接通;
4)X6断开,X7断开,同时达到2.5秒时间,T1接通,Y4接通。3.指令说明:
1)AND、ANI指令可进行1个触点的串联连接。串联触点的数量不受限制,可以连
续使用;
2)OUT指令之后,通过触点对其他线圈使用OUT指令,称之为纵接输出。这种纵接

输出如果顺序不错,可多次重复使用;如果顺序颠倒,就必须要用我们后面要学到
的指令(MPS/MRD/MPP)如下图;
3)当继电器的常开触点或常闭触点与其他继电器的触点组成的电路块串联时,也使用
AND指令或ANI指令。
电路块:就是由几个触点按一定的方式连接的梯形图。由两个或两个以上的触点串联而
成的电路块,称为串联电路块;由两个或两个以上的触点并联连接而成的电路块,称为
并联电路块;触点的混联就称为混联电路块。
ORORI
符号名称功能操作元件OR或常开触点并联连接X、Y、M、S、T、CORI或非常闭触点并联连接X、Y、M、S、T、C1.程序举例:

2.例题解释:1)当X0或X3接通时Y1接通;
2)当X2断开或X4接通时Y3接通;
3)当X4接通或X1断开时Y0接通;
4)当X3或X2断开时Y6接通。
3.指令说明:
1)OR、ORI指令用作1个触点的并联连接指令。
2)OR、ORI指令可以连续使用,并且不受使用次数的限制;

3)OR、ORI指令是从该指令的步开始,与前面的LD、LDI指令步进行并联连接。
4)当继电器的常开触点或常闭触点与其他继电器的触点组成的混联电路块并联时,也可
以用这两个指令。


ORBANB
1.程序举例:
2.例题解释:1)X0与X1、X2与X3、X4与X5任一电路块接通,Y1接通;
2)X0或X1接通,X2与X3接通或X4接通,Y0都可以接通;3.指令说明:
1)ORB、ANB无操作软元
2)2个以上的触点串联连接的电路称为串联电路块;
3)将串联电路并联连接时,分支开始用LD、LDI指令,分支结束用ORB指令;4)ORB、ANB指令,是无操作元件的独立指令,它们只描述电路的串并联关系;5)有多个串联电路时,若对每个电路块使用ORB指令,则串联电路没有限制,如上举例
程序;

6)若多个并联电路块按顺序和前面的电路串联连接时,则ANB指令的使用次数没有限制;

7)使用ORB、ANB指令编程时,也可以采取ORB、ANB指令连续使用的方法;但只能
连续使用不超过8次,在此建议不使用此法。
MPSMRDMPP
MPS指令:将逻辑运算结果存入栈存储器;
MRD指令:读出栈1号存储器结果
MPP指令:取出栈存储器结果并清除;

用于多重输出电路;FX的PLC有11个栈存储器,用来存放运算中间结果的存储区域
称为堆栈存储器。使用一次MPS就将此刻的运算结果送入堆栈的第一段,而将原来的第一
层存储的数据移到堆栈的下一段。
MRD只用来读出堆栈最上段的最新数据,此时堆栈内的数据不移动。
使用MPP指令,各数据向上一段移动,最上段的数据被读出,同时这个数据就从堆栈
中清除。

1.程序举例:
2.例题解释:1)当公共条件X0闭合时,X1闭合则Y0接通;X2接通则Y1接通;
Y2接通;X3接通则Y3接通。
2)上述程序举例中可以用两种不同的指令形式,这个地方应给学生明确解释。
3.指令说明:
1)MPS、MRD、MPP无操作软元件
2)MPS、MPP指令可以重复使用,但是连续使用不能超过11次,且两者必须成对使
用缺一不可,MRD指令有时可以不用;
3)MRD指令可多次使用,但在打印等方面有24行限制;
4)最终输出电路以MPP代替MRD指令,读出存储并复位清零;
5)MPS、MRD、MPP指令之后若有单个常开或常闭触点串联,则应该使用AND或
ANI指令;
6)MPS、MRD、MPP指令之后若有触点组成的电路块串联,则应该使用ANB指令;

7)MPS、MRD、MPP指令之后若无触点串联,直接驱动线圈,则应该使用OUT指
令;
8)指令使用可以有多层堆栈。

编程例一,一层堆栈:

编程例二,两层堆栈:
编程例三,四层堆栈:

上面编程例三可以使用纵接输出的形式就可以不采用MPS指令了,请授课人员补充。
MCMCR
在程序中常常会有这样的情况,多个线圈受一个或多个触点控制,要是在每个线圈的控
制电路中都要串入同样的触点,将占用多个存储单元,应用主控指令就可以解决这一问题,

如下图。

1.程序举例:
2.例题解释:1)当X0接通时,执行主控指令MC到MCR的程序;
2)MC至MCR之间的程序只有在X0接通后才能执行。3.指令说明:
1)MC指令的操作软元件N、M
2)在上述程序中,输入X0接通时,直接执行从MC到MCR之间的程序;如果X0输入
为断开状态,则根据不同的情况形成不同的形式:
保持当前状态:积算定时器(T63)、计数器、SET/RST指令驱动的软元件;
断开状态:非积算定时器、用OUT指令驱动的软元件。
3)主控指令(MC)后,母线(LD、LDI)临时移到主控触点后,MCR为其将临时母线
返回原母线的位置的指令。
4)MC指令的操作元件可以是继电器Y或辅助继电器M(特殊继电器除外);5)MC指令后,必须用MCR指令使临时左母线返回原来位置;
6)MC/MCR指令可以嵌套使用,即MC指令内可以再使用MC指令,但是必须使嵌套级
编号从N0到N7安顺序增加,顺序不能颠倒;而主控返回则嵌套级标号必须从大到小,即

按N7到N0的顺序返回,不能颠倒,最后一定是MCRN0指令;无嵌套:
上述程序为无嵌套程序,操作元件N编程,且N在N0—N7之间任意使用没有限制;有嵌套结构时,嵌套级N的地址号增序使用,即N0—N7。有嵌套一:

有嵌套二:

1SET0RST在前面的学习中我们了解到了自锁,自锁可以使动作保持。那么下面我们要学习的指令
也可以做到自锁控制,并且在PLC控制系统中经常用到的一个比较方便的指令。
SET指令称为置1指令:功能为驱动线圈输出,使动作保持,具有自锁功能。
RST指令称为复0指令:功能为清除保持的动作,以及寄存器的清零。1.程序举例:

2.例题解释:1)当X0接通时,Y0接通并自保持接通;
2)当X1接通时,Y0清除保持。
3.指令说明:
1)在上述程序中,X0如果接通,即使断开,Y0也保持接通,X1接通,即使断开,Y0
也不接通。
2)用SET指令使软元件接通后,必须要用RST指令才能使其断开。
3)如果二者对同一软元件操作的执行条件同时满足,则复0优先。
4)对数据寄存器D、变址寄存器V和Z的内容清零时,也可使用RST指令。
5)积算定时器T63的当前值复0和触点复位也可用RST。、PLSPLF
脉冲微分指令主要作为信号变化的检测,即从断开到接通的上升沿和从接通到断开的下
降沿信号的检测,如果条件满足,则被驱动的软元件产生一个扫描周期的脉冲信号。PLS指令:上升沿微分脉冲指令,当检测到逻辑关系的结果为上升沿信号时,驱动的操
作软元件产生一个脉冲宽度为一个扫描周期的脉冲信号。
PLF指令:下降沿微分脉冲指令,当检测到逻辑关系的结果为下降沿信号时,驱动的
操作软元件产生一个脉冲宽度为一个扫描周期的脉冲信号。
1.程序举例:

2.例题解释:1)当检测到X0的上升沿时,PLS的操作软元件M0产生一个扫描周
期的脉冲,Y0接通一个扫描周期。
2)当检测到X1的上升沿时,PLF的操作软元件M1产生一个扫描周期的脉冲,
Y1接通一个扫描周期。
3.指令说明:
1)PLS指令驱动的软元件只在逻辑输入结果由OFF到ON时动作揖个扫描周期;2)PLF指令驱动的软元件只在逻辑输入结果由ON到OFF时动作一个扫描周期;3)特殊辅助继电器不能作为PLS、PLF的操作软元件。
INV
INV指令是将即将执行INV指令之前的运算结果反转的指令,无操作软元件。INV指令即将执行前的运算结果INV指令执行后的运算结果
OFFON
ONOFF
1.程序举例:

2.例题解释:X0接通,Y0断开;X0断开,Y0接通。
3.指令说明:
1)编写INV取反指令需要前面有输入量,INV指令不能直接与母线相连接,也不能如
OR、ORI、ORP、ORF单独并联使用;

2)可以多次使用,只是结果只有两个,要么通要么断;

3)INV指令只对其前的逻辑关系取反。


如上图,在包含ORB指令、ANB指令的复杂电路中使用INV指令编程时,INV
的取反动作如指令表中所示,将各个电路块开始处的LD、LDI、LDP、LDF指令以后
的逻辑运算结果作为INV运算的对象。
NOPEND
1.NOP指令:称为空操作指令,无任何操作元件。其主要功能是在调试程序时,用其取代
一些不必要的指令,即删除由这些指令构成的程序;另外在程序中使用NOP指令,可延长扫描周期。若在普通指令与指令之间加入空操作指令,可编程序控制器可继续工作,就如没
有加入NOP指令一样;若在程序执行过程中加入空操作指令,则在修改或追加程序时可减
少步序号的变化。
2.END指令:称为结束指令,无操作元件。其功能是输入输出处理和返回到0步程序。3.指令说明:1)在将程序全部清除时,存储器内指令全部成为NOP指令;2)若将已经写入的指令换成NOP指令,则电路会发生变化;
3)可编程序控制器反复进行输入处理、程序执行、输出处理,若在程序的最后写入END指令,则END以后的其余程序步不再执行,而直接进行输出处理;
4)在程序中没END指令时,可编程序控制器处理完其全部的程序步;5)在调试期间,在各程序段插入END指令,可依次调试各程序段程序的动作功能,确认
后再删除各END指令;
6)可编程序控制器在RUN开始时首次执行是从END指令开始;
7)执行END指令时,也刷新监视定时器,检测扫描周期是否过长。
LDPLDFANDPANDFORPORF
1LDP上升沿检测运算开始(检测到信号的上升沿时闭合一个扫描周期)。LDF:下降沿检测运算开始(检测到信号的下降沿时闭合一个扫描周期)
ANDP:上升沿检测串联连接(检测到位软元件上升沿信号时闭合一个扫描周期)ANDF:下降沿检测串联连接(检测到位软元件下降沿信号时闭合一个扫描周期)
ORP:脉冲上升沿检测并联连接(检测到位软元件上升沿信号时闭合一个扫描周期)ORF:脉冲下降沿检测并联连接(检测到位软元件下降沿信号时闭合一个扫描周期)2.上述6个指令的操作软元件都为X、Y、M、S、T、C。
3.程序举例:

在上面程序里,X0或X1由OFF——ON时,M1仅闭合一个扫描周期;X2由OFF—
—ON时,M2仅闭合一个扫描周期。

在上面程序里,X0或X1由ON——OFF时,M0仅闭合一个扫描周期;X2由ON——
OFF时,M1仅闭合一个扫描周期。
所以上述两个程序都可以使用PLS、PLF指令来实现。
PLC
PLC
梯形图是PLC中最常用的方法,它源于传统的继电器电路图,但发展到今天两者之
间已经有了极大的差别。
PLC的梯形图有一条左母线,相当于继电器电路的电源正极,还有一条右母线,相
当于电源负极。
1.程序执行顺序比较

2.PLC程序的扫描执行结果

3.PLC软件特性
PLC在梯形图里可以无数次地使用其触点,既可以是常闭也可以是常开。二、PLC编程的基本规则
一)PLC编程应遵循以下基本规则:
1.输入/输出继电器、辅助继电器、定时器、计数器等软元件的触点可以多次重复
使用,无需复杂的程序结构来减少触点的使用次数。
2.梯形图每一行都是从左母线开始,线圈止于右母线。触点不能直接接右母线;
线圈不能直接接左母线。
3.在程序编写中一般不允许双重线圈输出,步进顺序控制除外。
4.可编程序控制器程序编写中所有的继电器的编号,都应在所选PLC软元件列表
范围内。
5.梯形图中不存在输入继电器的线圈。
二)合理设计梯形图
1.程序的编写应按照自上而下、从左到右的方式编写。为了减少程序的执行步数,

程序应“左大右小、上大下小“,尽量不出现电路块在左边或下边的情况。
2.依照扫描的原则,程序处理时尽可能让同时动作的线圈在同一个扫描周期内。
1.自保持程序
自保持电路也称自锁电路。常用于无机械锁定开关的启动停止控制中。如用无机械
锁定功能的按钮控制电动机的启动和停止;并且分为启动优先和断开优先两种。

2.互锁程序
互锁电路用于不允许同时动作的两个或多个继电器的控制,如电动机的正反转控制。

3.时间电路程序
时间电路程序主要用于延时、定时和脉冲控制。时间控制电路,既可以用以用定时
器实现也可以用标准时钟脉冲实现。在FX1S系列有64个定时器和四种标准时钟脉冲
(1min、1S、100ms、10ms)可用于时间控制,编程时使用方便。
1)接通延时


2)限时控制程序
3)断开延时和长延时

4)计数器配合计时

4.分频电路程序


5.振荡电路程序

6.时钟电路程序
一)电动机正反转控制
1.分析工艺过程
2.PLC的I/O点的确定和分配
输入输出SB1停止按钮X0KM1接触器Y1SB2正转按钮X1KM2接触器Y2SB3反转按钮X2
3.PLC接线图


4.程序编写
5.调试。
二)锅炉点火和熄火控制
控制要求为:点火过程为先启动引风,5分钟后启动鼓风,2分钟后点火燃烧;
熄火过程为先熄灭火焰,2分钟后停止鼓风,5分钟后停止引风。
1.分析工艺过程
2.PLC的I/O点的确定与分配
输入输出点火信号X0控制引风KM1Y0熄火信号X1控制鼓风KM2Y1
控制点火开关KM3Y2
3.PLC接线图

4.控制程序编写

5.调试。
三)十字路口交通信号灯控制
1.分析工艺过程

2.十字路口交通信号灯控制时序图要求


3.I/O分配如上图,PLC接线图
4.程序编写

5.调试。
1.基本逻辑指令都由哪几部分组成?各指令的功能?
2.请画出以下指令表的梯形图。
0LDX00011ORB
1MPS12ANB
2LDX00113OUTY001
3ORX00214MPP
4ANB15ANDX007
5OUTY00016OUTY002
6MRD17LDX010
7LDIX00318ORIX011
8ANDX00419ANB
9LDX00520OUTY003
10ANIX006
3.画出题3指令语句表的梯形图。

4.画出题4指令语句表的梯形图。5.写出题5梯形图的指令语句表。

6.写出上面题6梯形图的指令语句表。
7.写出题7梯形图的指令语句表。


8.对下题进行时序分析。
9.试设计一个四分频的梯形图,并写出对应的指令语句表,画出输入信号及输出信号的状
态时序图。
10.运行过程中,若传送带上15秒无物料通过则报警,报警时间延续30秒后传送带停止,通过检测器检测物料。


11.抢答器显示系统。请按系统设计步骤答题,控制要求:
1)竞赛者若要回答主持人提出的问题,必须抢先按下按钮。
2)指示灯亮后,需等到主持人按下复位按钮SB4后才熄灭,为了给参赛儿童一些优待,SB11
和SB12中任意一个按钮按下时,灯L1都亮;而为了对教授组做一定的限制,L3只有在
SB31和SB32都按下时才亮。
3)如果竞赛者在主持人打开SB0开关的10秒钟内按下按钮,电磁阀将使彩球摇动,以示
竞赛者得到一次幸运机会。
12.有一个指示灯,控制要求为:按下启动按钮后,亮5秒灭5秒,重复5次后停止。试设计梯形图。
13.有两台三相异步电动机M1和M2,要求:
1)M1启动后,M2才能启动;
2)M1停止后,M2延时30秒后才能停止;
3)M2能点动调整。
试作出PLC输入输出分配接线图,并编写梯形图控制程序。
14.设计两台电动机顺序控制PLC系统。控制要求:两台电动机相互协调运转,M1运转10S,
停止5S,M2要求与M1相反,M1停止M2运行,M1运行M2停止,如此反复动作3次,M1和
M2均停止。

15.根据时序图写出梯形图程序。
PLC
在前章的学习中我们了解了PLC的一些基本编程,用基本逻辑指令在做一些顺序控
制,特别是较为复杂的顺序控制时,不很直观。因此PLC厂家开发出了专门用于顺序控制的
指令,在三菱FX系列中为STL、RET一组指令,从而使得顺序控制变得直观简单。
PLC是典型的开环顺序控制系统。我们在日常生活和工业生产中常常要求机器设备能
实现某种顺序控制功能,即要求机器能按照某种预先规定的顺序、以及各种环境输入讯号来
自动实现所期望的动作。比如一个配料系统,我们可能对其运转提出以下要求:

1.先装入原料A,直到液面配料桶容积的一半;
2.再装入原料B,直到液面配料桶容积的75%;
3.然后开始持续搅拌20秒;
4.最后停止搅拌,开启出料阀,直到液位低于配
料桶的5%后再延时2秒,最后关闭出料阀;
5.以上过程反复进行。
由此可见,顺序控制系统中的动作存在确定的
先后关系,即顺序,且后面的动作必须根据前面的动
作情况来确定。本章主要介绍其指令及编程方法。
顺序控制及状态转移图
第一节
根据状态转移图,采用步进指令可对复杂的顺序控制进行编程。为了对步进指令灵活
地运用,我们在此应对顺序控制和状态转移图的概念加强了解。
一、顺序控制
所谓顺序控制,就是按照生产工艺所要求的动作规律,在各个输入信号的作用下,根据
内部的状态和时间顺序,使生产过程的各个执行机构自动地、有秩序地进行操作。
在顺序控制中,生产过程是按顺序、有秩序地连续工作。因此可以将一个较复杂的生产
过程分解成若干步骤,每一步对应生产过程中的一个控制任务,即一个工步或一个状态。且
每个工步往下进行都需要一定的条件,也需要一定的方向,这就是转移条件和转移方向。
二、状态继电器
在状态转移图中,每个状态都分别采用连续的、不同的状态继电器表示。FX1S系列PLC
的状态继电器的分类、编号、数量及功能。
类别状态继电器编号数量功能说明
初始化状态继电器S0——S910点初始化
原点回归状态继电器S10——S127118点用IST指令时原点回归掉电保持型继电器S0——S127128点具有停电记忆功能,停电后再启动,
可继续执行
在用状态转移图编写程序时,状态继电器可以按顺序连续使用。但是状态继电器的编号要在
指定的类别范围内选用;各状态继电器的触点可自由使用,使用次数无限制;在不用状态继
电器进行状态转移图编程时,状态继电器可做为辅助继电器使用,用法和辅助继电器相同。
三、状态转移图的设计法
何谓状态转移图(系统状态)设计法,系统程序设计一般有两种思路:一是针对某一
具体对象(输出)来考虑),另一种就是功能图设计法。它把整个系统分成几个时间段,在
这段时间里可以有一个输出,也可有多个输出,但他们各自状态不变。一旦有一个变化,系
统即转入下一个状态。给每一个时间段设定一个状态器(步进接点),利用这些状态器的组
合控制输出。例如工作台自动往复控制系统,我们可以画出它的状态转移图:一工作台自动
往复控制程序(1)要求:正反转启动信号SB0、SB1,停车信号SB2,左右限位开关SQ1、
SQ2,左右极限保护开关SQ3、SQ4,输出信号Y0、Y1。具有电气互锁和机械互锁功能。
状态转移图:

四、状态转移的实现
任何一个顺序控制过程都可分解为若干步骤,每一工步就是控制过程中的一个状态,所
以顺序控制的动作流程图也称为状态转移图,状态转移图就是用状态(工步)来描述控制过
程的流程图。
在状态转移图中,一个完整的状态必须包括:
(1)该状态的控制元件;
(2)该状态所驱动的对象;
(3)向下一个状态转移的条件;
(4)明确的转移方向。
状态转移的实现,必须满足两个方面:一是转移条件必须成立,二是前一步当前正在进
行。二者缺一不可,否则程序的执行在某些情况下就会混乱。五、画状态转移图的一般步骤
(1)分析控制要求和工艺流程,确定状态转移图结构(复杂系统需要)。
(2)工艺流程分解若干步,每一步表示一稳定状态。
(3)确定步与步之间转移条件及其关系。
(4)确定初始状态。(可用输出或状态器)
(5)解决循环及正常停车问题。
(6)急停信号的处理。
第二节步进顺序控制指令
我们知道每一个状态都有一个控制元件来控制该状态是否动作,保证在顺序控制过程
中,生产过程有秩序地按步进行,所以顺序控制也称为步进控制。FX1S采用状态继电器作
为控制元件,并且只利用其常开触点来控制步动作。控制状态的常开触点称为步进接点,在

梯形图中用符号表示。
当利用SET指令将状态继电器置1时,步进接点闭合。此时,顺序控制就进入该步进接
点所控制的状态。当转移条件满足时,利用SET指令将下一个状态控制元件(即状态继电器)
置1后,上一个状态继电器(上一工步)自动复位,而不必采用RST指令复位。用梯形图表示:

状态转移图用梯形图表示的方法:
(1)控制元件:梯形图中画出状态继电器的步进接点;
(2)状态所驱动的对象:依照状态转移图画出;
(3)转移条件:转移条件用来SET下一个步进接点;
(4)转移方向:往哪个方向转移,就是SET置1的步进接点控制元件。根据上述所学知识,我们学习步进指令(STL、RET)。
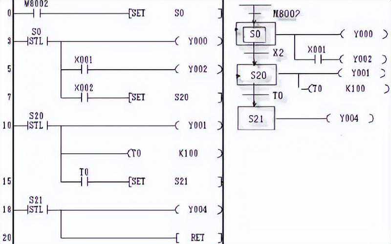
一、步进指令STL、RET
1.STL指令
STL指令称为“步进接点“指令。其功能是将步进接点接到左母线。格式:

操作元件:状态继电器S。
RET指令称为“不仅返回“指令。其功能是使临时左母线回到原来左母线的位置。
格式:

操作元件:无。
程序举例:

步进接点只有常开触点,没有常闭触点。步进接通需要SET指令进行置1,步进接点闭合,将左母线移动到临时左母线,与临时左母线相连的触点用LD、LDI指令,如上图。在每条步进指令后不必都加一条RET指令,只需在连续的一系列步进指令的最后一条的临时左母
线后接一条RET指令返回原左母线,且必须有这条指令。
2.指令说明:
(1)步进接点与左母线相连时,具有主控和跳转作用;
(2)状态继电器S只有在使用SET指令以后才具有步进控制功能,提供步进接点。
(3)在状态转移图中,会出现在一个扫描周期内两个或两个以上状态同时动作的可能因
此在相邻的步进接点必须有联锁措施。
(4)状态继电器在不仅状态转移图中使用可以按编号顺序使用,也可以任意。但是建议
按顺序。
(5)状态继电器可做辅助继电器使用,与辅助继电器M用法相同。
(6)步进接点后的电路中不允许使用MC/MCR指令。
(7)在状态内,不能从STL临时左母线位置直接使用MPS/MRD/MPP。二、编程与动作,步进梯形图
1.状态的动作与输出的重复使用
(1)状态的地址号不能重复使用;
(2)如果STL触点接通,则与其相连的电路动作;如果STL触点断开,则与其相连的电
路停止动作;
(3)如图所示,在不同的步之间可给同一软元件编程。

2.输出的联锁
在状态转移过程中,仅在瞬间(一个扫描周期)两种状态同时接通,因此为了避免同时
接通的一对输出同时接通,需要设置联锁;

3.定时器的重复使用
定时器线圈与输出线圈一样,也可对在不同的状态的同一软元件编程,但是在相邻的状
态中不能编程。如果在相邻的状态下编程,则步进状态转移时定时器线圈不断开,当前值不
能复位,如果不是相邻的两个状态则可以使用同一个定时器,如输出联锁图示。
三、单流程、多分支状态转移图的编程与梯形图的转换1.如何应用步进指令进行编程采用步进指令编程时一般需要下面几个步骤:
1)分析工艺过程;
2)分配I/O,列出输入输出分配表;
3)画出PLC接线图;
4)根据工艺要求分析的结果,画出顺序控制的状态转移图;
5)状态转移图转换成梯形图或指令语句表;
6)输入程序到PLC;
7)运行调试。
2.单流程:没有分支的状态转移图称为单流程。
有一个机械动作为图所示.1)按下启动按钮台

车前进,一直到限位开关LS11动作,台车后退,
2)台车后退时,直到限位开关LS12动作,停5秒
后再前进,直到限位开关LS13动作,台车后退;
3)不久限位开关再动作,这时驱动台车的电机停止。
1)解:图中给出了台车机械动作的过程,分作两次前进和后腿,进程长度不一样。
2)I/O分配。
输入输出
启动按钮X0前进Y0
停止按钮X1后退Y1
开关LS11X2
开关LS12X3
开关LS13X43)画出PLC接线图

4)状态转移图程序
