今天主要跟大伙分享一个关于实际案例,涉及PLC、变频器,触摸屏的水位控制项目,看一下整个流程怎么走,可以收藏备用!
◇项目描述
◇EM235模块
◇项目实现
◇触摸屏监控
一、项目描述
1.项目控制要求
水箱向外部用户供水,用水量不稳定,时大时少。水箱进水可由水泵泵入,现需对水箱中水位进行恒液位控制,并可在0~200mm(最大值数据可根据水箱高度确定)范围内进行调节。如设定水箱水位值为100mm时,则不管水箱的出水量如何,调节进水量,都要求水箱水位能保持在100mm位置,如出水量少,则要控制进水量也少,如出水量大,则要控制进水量也大。

2.控制思路
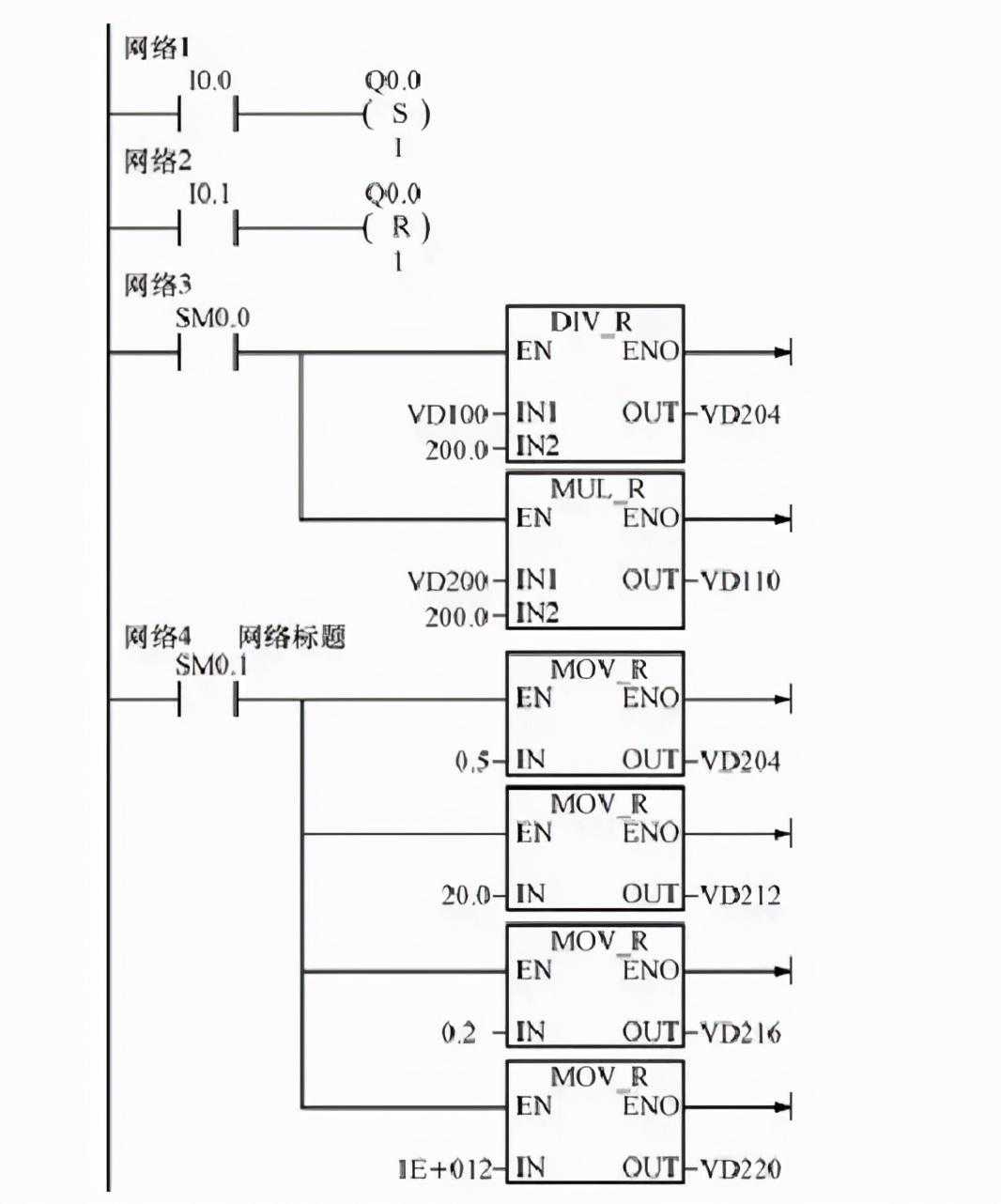
因为液位高度与水箱底部的水压成正比,故可用一个压力传感器来检测水箱底部压力,从而确定液位高度。用PD算法对水位进行自动调节。
把压力传感器检测到的水位信号4~20mA送入至PLC中,PLC中对设定值与检测值的偏差进行PID运算,运算结果输出去调节水泵电机的转速,从而调节进水量。水泵电机的转速可由变频器来进行调速。
3.元件选型
1)PLC及其模块选型。PLC可选用S7-200cPU224,为了能接收压力传感器的模拟量信号和调节水泵电机转速,选择一块EM235的模拟量输入输出模块。
2)变频器选型。为了能调节进水量,选择西门子G110的变频器。
3)触摸屏选型。选用西门子人机界面TP170B触摸屏。
4)水箱对象设备,如下图所示。

二、EM235模块
1.EM235的端子与接线


三、项目实现
1.PLC的IO分配及电路图
PLC的IO分配
启动按钮,10.0;
停止按钮,10.1;
,控制水泵电机运行。