

工程师在处理不同品牌的PLC和触摸屏通讯时,无从下手。
2.解决过程
图1松下PLC手册
1)手册有介绍FP-XH是FP-X的高位兼容产品,所以触摸屏端与FP-X的通讯方法也适用于FP-XH系列。

图2松下PLC官网问答
2)官网介绍的FP-XH系列本体和其他厂家触摸屏连接操作教程。
3.解决思路
分解问题:
1)怎么接线?找到接线图;
2)怎么设置触摸屏?找到触摸屏的设置参数;
3)怎么设置PLC?找到PLC的设置参数。
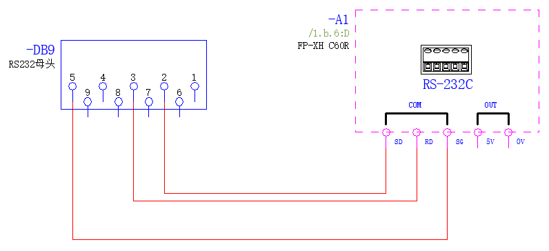
松下PLC型号:FP-XHC60R;三菱触摸屏型号:GS2107-WTBD

图1与触摸屏连接的接头与PLC端口接线图

图2三菱触摸屏设置参数

图3松下PLC设置参数
总结:遇到问题,大可不必慌张,先看手册,再查官网,分解问题,各个击破,则迎刃而解。
加入社区获取更多学习资料
*文中部分图片来自网络,如有侵权请联系删除