三菱PLC控制三菱变频器的方法:
采用PLC的开关量控制变频器(即采用PLC的开关量输出端直接与变频器的开关量输入端相连,PLC可通过程序控制变频器的启动、停止、正反转及高、中、低速多段速度运行)。
采用PLC的模拟信号控制变频器。
PLC采用RS-485的Modbus-RTU通信方法控制变频器。
PLC采用现场总线方式控制变频器。
PLC采用RS-485无协议通信方法控制变频器。
其中采用RS-485无协议通信方法控制变频器得到了广泛应用。在RS-485无协议通信方法控制变频器中,PLC是通过RS串行通信指令进行编程控制。
一、系统构成
系统的硬件组成为:
FX2N系列PLC(产品版本以上)1台;
FX2N-485-BD通信板1块(最长通信距离50m)或FXON-485ADP1块+FX2N-CNV-BD板1块(最长通信距离500m);
带RS-485接口的三菱变频器(F700系列、S500系列、E500系列、F500系列、A500系列)等,可以互相混用,但总数量不超过8台。

PLC与变频器的连接是利用网线连接的,即用网线的RJ45插头和变频器的PU插座相接。
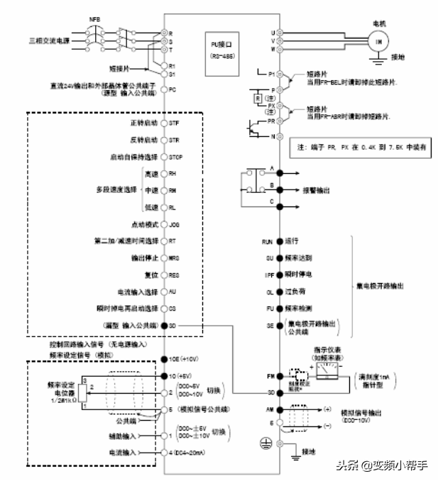
二、三菱FR-A500系列变频器
1、FR-A500变频器的端子接线图

2、FR-A500变频器的通信参数设置
为了正确地建立通信,必须设置变频器与通信有关的参数,如站号、通信速率、停止位长/字长、奇偶校验等。
变频器内的~参数号用于设置通信参数。
参数设置采用操作面板或变频器设置软件FR-SW1-SETUP-WE在PU口进行。
FR-A500通信参数设置

3、FR-A500变频器的数据格式
使用十六进制数,数据在PLC与变频器间自动使用ASCII码传输。
1)从PLC到变频器的通信请求数据格式
设变频器通信参数设置为无LF/CR,则从PLC发送到变频器的通信数据的ASCII码字符数共有12个(格式A时)。

2)输入数据时从变频器到PLC发送数据格式

3)读出数据时从变频器到PLC的应答数据格式
设变频器通信参数设置为无LF/CR,则从变频器一次读出的ASCII码字符数共有10个(未有发现错误时)。

4)读出数据时从PLC到变频器的发送数据格式

上述数据格式中数据指的是PLC与变频器传输的数据(如频率和参数)。
等待时间是规定变频器从收到PLC来的数据和传输应答数据之间的等待时间。根据PLC的响应时间在0~150ms之间设定等待时间,最小设定单位10ms。当变频器的参数单元不设为9999时,则等待时间不由通信数据设定,通信数据格式中无等待时间(少一个字符)。
总和校验码是由被校验的ASCII数据的总和(二进制)的最低一个字节(8位)表示的两个ASCII数字(十六进制)。
4、FR-A500变频器的控制代码和指令代码
FR-A500控制代码说明

指令代码是由PLC发给变频器,指明程序要求(例如运行、监视等)。通过相应的指令代码,变频器可进行各种方式的运行和监视。
FR-A500指令代码说明

三、通信程序设计
1.特殊数据寄存器
(1)D8120设置数据通信格式
设数据长度为7位,偶校验,2位停止位,波特率为9600b/s,无标题符和终结符,没有添加和校验码,采用无协议通讯(RS-485)。则D8120的设置为:b15~b0=0000110010001110=0C8EH。
2)D8122存放当前发送的信息中尚未发出的字节。
(3)D8123存放已收到的字节数。
(4)D8124为起始符(8位)初始值STX(02H)。
(5)D8125为终止符(8位)初始值EXT(03H)。
(6)D8129设置数据网络超时计时器值。其单位为10ms
2.通信程序
设变频器站号为0,传送数据长度为7位,偶校验,2位停止位,波特率为9600b/s,无标题符和终结符,没有添加和校验码,采用无协议通讯(RS-485)。

M10接通时控制变频器进入正转状态,M11接通时控制变频器进入停止状态,M12接通时控制变频器进入反转状态,M13接通时读出变频器的运行频率(D700~D703),M14接通时向变频器写运行频率(D400~D403)。

当M10、M11、M12任何一个接通时,PLC首先向变频器发出运行控制信号,D200~D209为发送数据的地址,其中D200存通信请求代码05H,D201、D202存变频器站号0,D203、D204存指令代码(运行命令字FAH),D205存等待时间(0ms),D206~D207存发送数据(D206、D207存正转02H/反转04H/停止00H),D208~D209存和校验码

当M14接通时,PLC向变频器发送运行频率。设预先将运行频率存放在D400~D403中,D200~D211为发送数据的地址,其中D200存通信请求代码05H,D201、D202存变频器站号0,D203、D204存指令代码(写运行频率命令字EDH),D205存等待时间(0ms),D206~D209存发送数据(运行频率)、D210~D211存和校验码。
当M13接通时,PLC向变频器发送读取变频器运行频率控制信号。D200~D207为发送数据的地址,其中D200存通信请求代码05H,D201、D202存变频器站号0,D203、D204存指令代码(读运行频率命令字6DH),D205存等待时间(0ms),D206~D207存和校验码。

D500~D509为接收数据的地址,D600~D609为接收数据的存储地址
【如果觉得还不错,请帮忙转发一下,让更多小伙伴们看到!学会分享!