S7-400H二重化控制器概述
H(高可靠性)系统是应用在现代工业领域中一种能够满足经济、环保、节能的高度自动化系统,系统能够通过将发生中断的单元自动切换到备用单元的方法实现系统的不中断工作。S7-400H是西门子提供的二重化PLC,它通过部件的二重化实现系统的高可用性。作为SIMATICS7家族的一员,S7-400H拥有SIMATICS7所具有的先进性。
1.S7-400H二重化系统典型的硬件
图1典型的S7-400H二重化系统
1个典型的二重化系统中包括:
(1)1个UR2-H机架(或者2个独立的UR1/UR2机架)
(2)2个S7-400HCPU模块(完全一致)
(3)2个PS407电源模块(也可以选择2×2的二重化配置)
(4)2根同步光纤和4个同步模块
(5)2个相同大小的RAM存储卡
(6)2个CP443-1以太网通讯模块(如果不需要以太网通讯功能可以不配置)
(7)每个电源模块配备1-2块后备锂电池
2.组态S7-400H站的软件组态相应版本的S7-400H二重化控制器时,所安装软件环境为:WindowsXPProfessionalSP3,()。
在Step7中组态S7-400H站,下本文将以实际例子的形式来介绍S7-400H站的组态过程。

表1示例主要硬件组成
二、在Step7中组态S7-400H站1.硬件安装(1)安装机架UR2-H。
(2)在机架上安装PS407电源模块,在电池槽内放入2块锂电池,拨码拨到2BATT。
(3)设置二重化CPU的机架号,安装二重化CPU到机架。CPUV3版本,通过同步子模板上的开关设置;CPUV4以上版本,通过CPU背板上的开关设置;本实例中的CPU为6ES7412-3HJ04-0AB0机架号设置在CPU的背面,将左手边CPU的机架号设为0(拨码拨到下方),右手边CPU的机架号设为1(拨码拨到上方),CPU通电后此机架号生效。
(4)将同步子模板插到CPU前面板的两个IF插槽中,并固定。
(5)连接同步光缆。将两个位于上部的同步子模板相连;将两个位于下部的同步子模板相连;在打开电源或启动系统之前要确保CPU的同步光缆已经连接,同步光纤的连接如图2所示。

图2S7-400H同步光纤的连接
(6)安装CP443-1以太网网卡。同时利用网线将2个安装好的CP443-1以太网网卡以及安装有Step7或者PCS7的电脑连接到一个交换机上,完成硬件互联。
(7)通电后CPU自检查。CPU第一次通电时,将执行一次RAM检测工作,约需10分钟。这段时间内CPU不接收通过通讯接口传来的数据,并且STOPLED灯闪烁。如果有备用电池,再次通电时不再做此项检查工作。
(8)启动CPU,将CPU拨码拨到RUN状态,此刻两CPU保持RUN。
2.硬件组态1.首先双击“SIMATICManager”图标,打开SIMATICManager并新建一个S7-400H的单项目,在项目中插入一个“SIMATICHStation”,插入结束,左侧树形目录下会出现一个“SIMATICHStation(1)”,操作(如图3)所显示。

图3插入一个400H站
2.点中SIMATICHStation(1)后,双击右侧“Hardware”组态硬件进入HWConfig编辑器(如图4)。
►在组态中添加两个UR2-H的机架,添加路径为:SIMATIC400RACK-400UR2-H(6ES7400-2JA00-0AA0)。
►分别在两个机架中添加PS407电源模块,路径为:SIMATIC400PS-400PS40710A(6ES7407-0KR02-0AA0)。

图4在硬件组态中为400H站添加机架和电源模块
►分别在两个机架中添加CPU单元,添加路径为:,在添加CPU的过程中,需要为CPU上集成的DP接口设置地址并且创建所归属的ProfibusDP总线(如图5)。

图5创建ProfibusDP网络
CPU412-3HCPU添加同步模块(所选择同步模块的距离类型要保持一致)(如图6)。

图6添加同步模块
同理,以一样的方式为Rack1添加CPU。
►分别在两个机架中添加CP443-1以太网通讯模块,路径:(如图7)。

图7CP443-1修改MAC参数
为CP443-1设置参数,创建并选择“Ethernet(1)”;
勾选“SetMACaddress/useISOprotocol”,并且为该网卡设置MAC地址(网卡出厂预设MAC地址可以在CP网卡上看到),同时取消选择“IPprotocolisbeingused”项(如图8)。

图8硬件组态结束后的结构
以同样的方式,为Rack1添加CP443-1并设置MAC地址,选择子网“Ethernet(1)”。
利用以上步骤就完成了硬件的组态,或者也可以先组态好Rack0及所需插入的所有模块,然后将其拷贝,生成Rack1及其所需插入的所有模块,在此操作中请注意修改新生成的Profibus网络参数以及Ethernet网络参数,设置方法请参考前文叙述。
3.添加必要的OB组织块程序以下故障OB块必须装入S7-400H的CPU中:OB70、OB72、OB80、OB82、OB83、OB85、OB86、OB87、OB88、OB121和OB122;如果没有装载这些OB,H系统在出现错误时可能会进入STOP状态。可以根据需要在这些OB中编写程序读取系统诊断信息。
在插入方式上,可以在Block目录下面通过右键选择“InsertNewObject”“OrganizationBlock”,插入所期望的组织块,此处如果没有特殊需求的话,可以不对插入的组织块进行编程,插入空的OB即可。
4.硬件和程序的下装为了实现Step7与CPU的通讯,首先要确保CP443-1与安装了Step7的电脑之间的物理连接。
打开“SIAMATICManager”“Options”“SetPG/PCInterface…”可以将PG/PC接口设置成ISOIndEthernet方式。如果使用的电脑安装了1613网卡,可以将PG/PC接口设置为1613的ISO通讯方式,如果使用的电脑中只装有普通的网卡,就选择普通网卡的ISO的通讯方式,如下图:本实验中选择的是Broadcom的普通以太网卡连接作为PG/PC物理通讯接口(如图9)。

图9设置PG/PC接口参数
完成PG/PC接口的设置,重新回到HWConfig编辑器的界面,保存并编译硬件项目(如图10)。

图10保存编译硬件组态

图11下载画面
在线监控一下硬件,H系统处于二重化运行状态:

图12监控画面
到此为止,已经完成了一个400H站的组态、编程、监控。
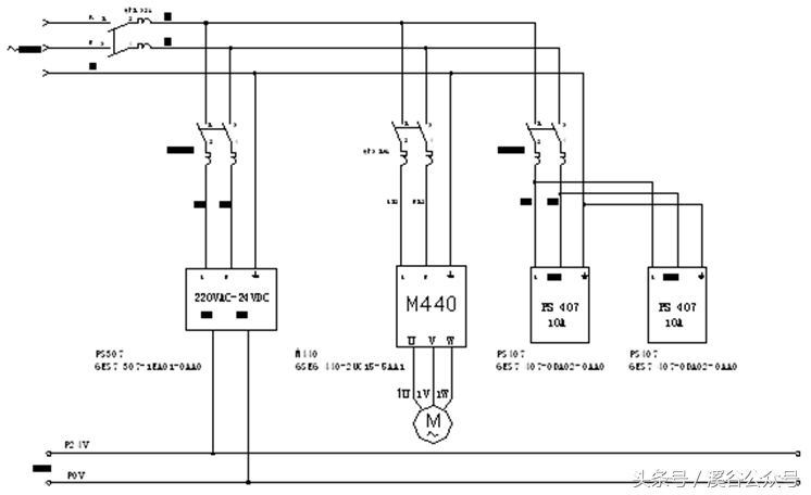
三、S7-400H站二重化系统控制电气原理图、电气布置图、电气接线图。
图13电气原理图A

图14电气原理图B
四、S7-400H站二重化系统I/O分配表
表2IO分配表
五、S7-400H站二重化系统功能测试S7400二重化系统采用了两套CPU处理器模块,一个处理器模块作为主处理器,另外一个作为从处理器。正常情况下,由主处理器执行程序,控制I/O设备,从处理器不断监测主处理器状态。如果主处理器出现故障,从处理器立即接管对I/O的控制,继续执行程序,从而实现对系统的二重化控制。
1.S7-400H高级二重化功能测试图1.1S7-400H高级二重化功能测试硬件连接图

图15硬件连接示意图
1.2S7-400H高级二重化功能测试电气控制接线图

图16电气控制接线图A

图17电气控制接线图B

图18电气控制接线图C
2.创建一个Step7示例项目
2.1新建一个Step7项目,且进行相关组态硬件(如图19)。

图19组态硬件
2.2硬件组态完成后,对网络进行组态(如图20)

图20组态网络
2.3新建示例项目组态结束,打开OB1块LAD/STL/FBD编程界面进行控制程序编辑(如图21)

图21编写程序
2.4编写完控制程序,将该程序下载到PLC中。
3.创建人机界面
3.1运用Winccflexible组态软件,通过前面的Step7控制示例项目所需,对TP177B触摸屏进行相应人机界面组态编辑(如图22所示)。

图22人机控制界面
3.2人机控制界面编辑完成后,下载到TP177B内。
4.二重化测试
4.1通过人机界面操作PLC,使之控制三相变频电机启动、变速、停止。(如图23)

图23监视电机运行速度
4.2在三相变频电机正常运行时,通过模拟工业现场CPU故障,切断正在主控运行的PLC电源,此时二重化PLC承担主控,电机保持之前的状态运行,实现了二重化控制功能。
5.S7-400H站二重化系统功能实现
通过以上测试可知:当停止正在主控工作的PLCCPU时,变频器上显示的频率没有发生变化,电机还是保持原来的运行状态。
享受更多最新实用PLC干货知识!
(溪谷公众号)