最近经常有初学西门子PLC编程的朋友,对于FC、FB、OB、DB块特别迷茫,一开始的时候可能很多人都会遇到类似的问题

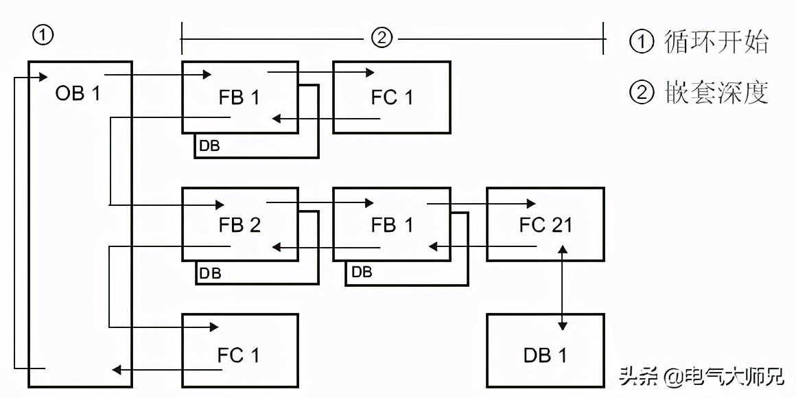
一.组织块,组织块是操作系统和用户程序之间的接口。OB用于执行具体的程序,我们最常用的就是OB1,所有的FB和FC块都需要直接或者间接的接受调用,才能执行,如下图是创建组织块,每个不同组织块是不同的功能

1、在CPU启动时;
2、在一个循环或延时时间到达时;
3、当发生硬件中断时;
4、当发生故障时;
5、组织块根据其优先级执行。
初学者先知道OB1的功能如何使用,如下图所示,所有的FB或者FC做成的子程序都需要间接或者直接的接受调用。

二.FC函数和FB函数块的区别在哪里呢,首先FB块有自己的背景数据块,就是专有的存储区,我们什么时候选择建立FB块呢,根据我自己以往的经验来说,就是需要重复使用的标准功能,例如一个项目里面有50个气缸需要控制30个电机需要控制,在这种情况下,我们就可以选择做两个电机和气缸的标准FB块,其余的都可以用FC。


三.FB块优点:1.易于移植性,对于相同控制逻辑不同参数的被控对象,只要使用不同的背景DB,同一个FB块就可以方便
2.多重背景,减少重复工作,提高效率
3.多次调用时,参数修改方便
4.有独立的存储区
四.FC块优点:1.小巧灵活,对于非多次调用的程序更易理解
2.不占用额外的存储资源
五.数据块DB:数据块分为全局数据块和背景数据块,背景数据块即前面提到的FB块的专用存储空间,如下图是建立的背景数据块

全局数据块是建立的存储区域,可以根据需要自己建立数据的各种类型,便于数据的存储和方便调用

在编程时方便我们建立中间变量和数据的存储记忆,并且可以把数据类型归类使用,希望这些说明能够帮助到大家,感谢!