01控制要求
一台饮料自动售货机用于出售汽水和咖啡两种饮料,汽水10元一杯,咖啡20元一杯。顾客可以投入1元、5元和10元三种硬币。当投入的硬币钱数大于或等于10元,时,汽水灯亮。当投入的硬币钱数大于或等于20元时,咖啡灯亮。按下出汽水按钮,自,动出汽水一杯,并找出多余零钱,按下咖啡按钮,自动出咖啡一杯,并找出多余零钱。

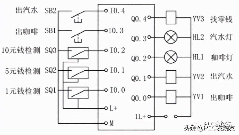
02PLC接线图

03IO分配表

04编写程序
第一步:(当投入1元硬币时,=1,VW0中的数据加1。)

第二步:(当投入5元硬币时,=1,VW0中的数据加5。)

第三步:(当投入10元硬币时,=1,VW0中的数据加10。)

第四步:(大于10元,汽水灯亮,出汽水时灯闪。)

第五步:(大于20元,咖啡灯亮,出咖啡时灯闪。)

第六步:(汽水灯亮=1,按下出汽水按钮,得电,出汽水10S)

第七步:(咖啡灯亮=1,按下出咖啡按钮,得电,出咖啡10S)

第八步:(VW0=10,按下出汽水按钮,VW0中的数减去10,结果存放到VW2中。)

第九步:(VW0=20,按下出咖啡按钮,VW0中的数减去20,结果存放到VW2中。)

第十步:(VW2不等于0时,得电找钱。)

第十一:(VD01清零)

05威纶通组态配置
第一步:(选择实际触摸屏对应的型号,这里我是TK8071IP这款型号,大家可以根据自己实际触摸屏型号来选择。)

第二步:(系统参数—新增设备)

第三步:(设置PLC信息和地址)
设备类型:SiemensS7--200SMART(Ethernet)
接口类型:以太网
IP地址:选择PLC通信IP地址192.168.0.143

第四步:(组态配置完成)

06威纶通设计画面
第一步:(使用文字标签设计标题)


第二步:(使用线元件设计分割线)


第三步:(位状态切换开关—关联PLC地址—属性操作模式—复归型—文字标注—一元)
其它按钮例如:五元、十元、出汽水、出咖啡以此类推即可!



第四步:(位状态指示灯—关联PLC输出地址—文字标签—汽水灯)
其它指示灯例如:咖啡灯、出汽水、出咖啡、找钱以此类推即可!


第五步:(数值元件—关联PLC地址VW0)
其它数值显示例如:剩余金额、出汽水时间、出咖啡时间以此类推即可!

第六步:(设计完成)

07演示效果

